EasyManua.ls Logo

Volvo XC70 2012 - Differential Electronic Module (DEM)

Volvo XC70 2012
364 pages
Print Icon
To Next Page IconTo Next Page
To Next Page IconTo Next Page
To Previous Page IconTo Previous Page
To Previous Page IconTo Previous Page
Loading...
TP 39217202 XC70(08-) & S80(07-) 2012 166
11A/2
2
1
30+
15/31
C2:5
BU
C5:1
C5:2
C3:7
C3:6
4/56
CAN
LIN
CEM
11A/5
2
1
11A/1
2
1
RD-BN
RD-BU
RD-BK
2
1
5
3
2/88
15/36
R1
GN-RDGN-RD
WH-VT
BU-BK
GN-BK
BK
BK-YE
CAN
4/82
DEM
C1:8
C1:1
BK-YE
BK-YE
GN-BK
BU-BK
BK
C1:2
C1:7
C1:4
74/520
74/511
31/65
4
5
1
6
2
4
3
1
4
74/514
RD
11C/29
21
G042213
Group 43 Transmission
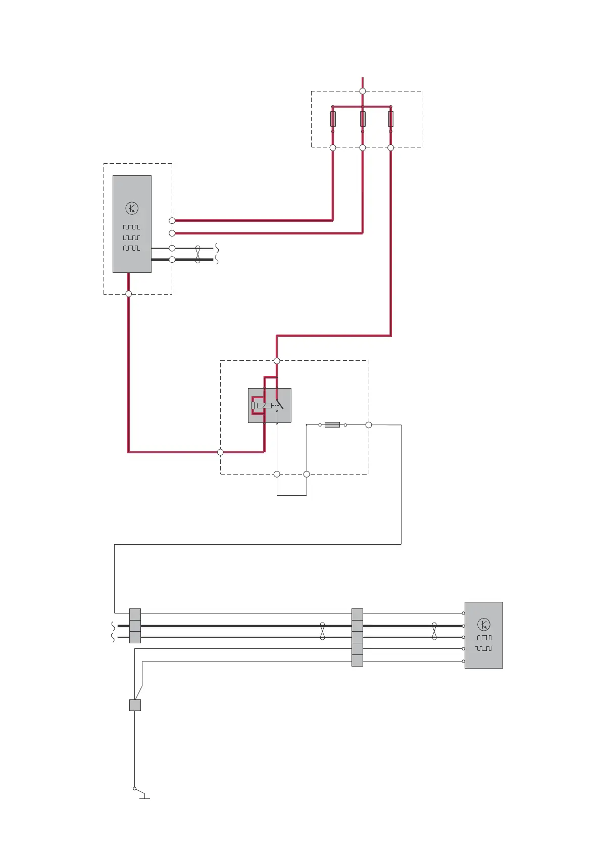
Differential Electronic Module (DEM)

Table of Contents

Other manuals for Volvo XC70 2012

Related product manuals