EasyManua.ls Logo

Volvo XC70 2012 - Fog Lights V70

Volvo XC70 2012
364 pages
Print Icon
To Next Page IconTo Next Page
To Next Page IconTo Next Page
To Previous Page IconTo Previous Page
To Previous Page IconTo Previous Page
Loading...
TP 39217202 XC70(08-) & S80(07-) 2012 103
TURN
FOG
POS
REV
STOP
TAIL/STOP
GND
GND
10/53
TURN
FOG
POS
REV
STOP
TAIL/STOP
GNDGND
10/46
CAN
C1:6
C1:2
5/1
DIM
73/3033
BK-OG
BK-OG
11B/2311A/2
2 2
30+
1 1
2
1
31/93
2
10/5
1
BU-RD
YE-OG
CAN
4/56
CEM
LIN
11A/1
31/94
73/3035
BK-VT
BK-VT
2
10/6
1
31/83
C2:54
C5:2
C1:71
C1:72
C5:1
15/31
RD-BK
RD-BU
BK
BK
BKBK
RHD
RHD
LHD
C3:49
73/4017
73/4016
1
6
5
LIN
RD-BK
RD-BK
GN-VT
3/111
74/411
12
LSM
WH-BU
BN-GN
RHD
LHD
C1:31
C1:30
10/17
10/18
BK
BK-OG
BK-OG
WH-BU
31/48
73/5033
BK-BU BK-BU
73/6004
C1:4
C2:4
C1:4
C2:4
73/6001
BK-OG
BK-OG
74/602
31/47
73/5105
7
BK-OG
BK-OG
C1:2
C1:2
74/602
5
G042428
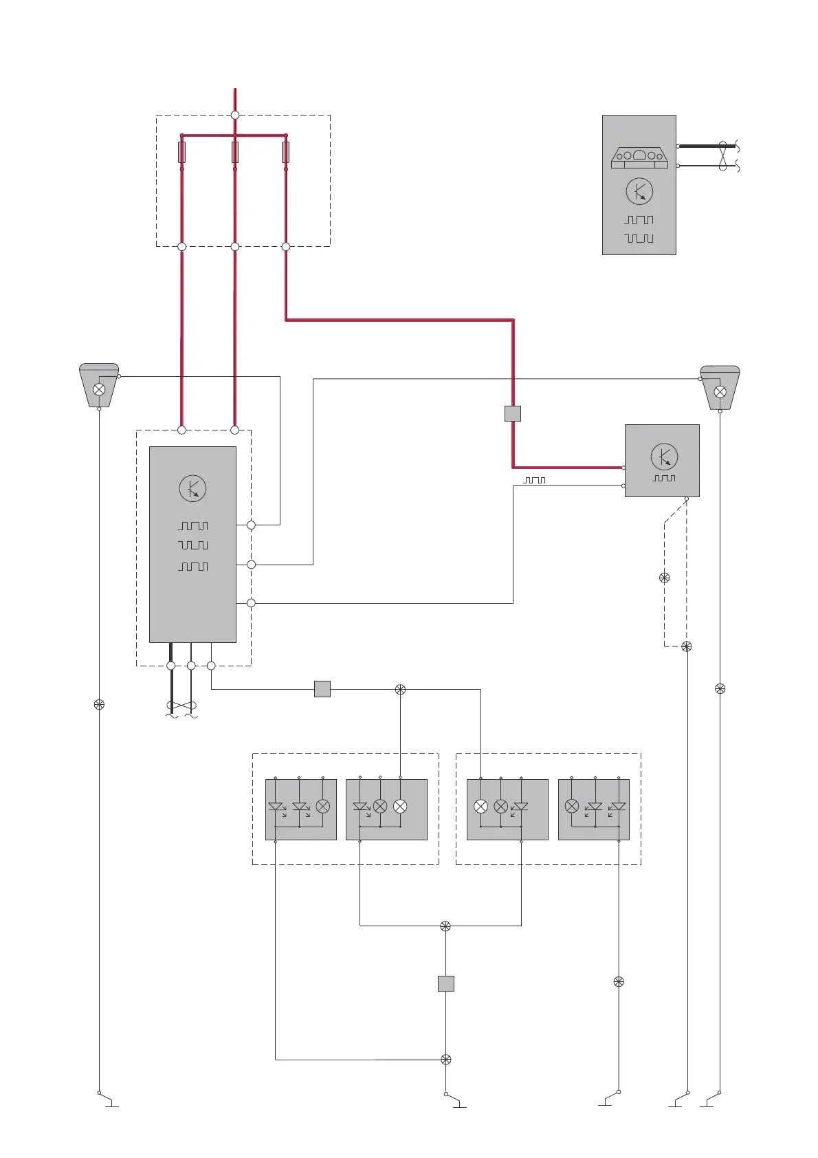
Group 35 Lighting
Fog lights V70

Table of Contents

Other manuals for Volvo XC70 2012

Related product manuals