EasyManua.ls Logo

Volvo XC70 2012 - Collision Warning with Power Brake Booster

Volvo XC70 2012
364 pages
Print Icon
To Next Page IconTo Next Page
To Next Page IconTo Next Page
To Previous Page IconTo Previous Page
To Previous Page IconTo Previous Page
Loading...
TP 39217202 XC70(08-) & S80(07-) 2012 132
C3:7
C3:6
CEM
11A/2
2
11
11A/1
2
1
11B/17
2
1
F5
2
15/31
4/80
4/56
27/2
7/203
1
11B/27
2
31
25
30+
C1:13C1:63 C5:1 C5:2
C3:63
C1:74
C3:5
C1:2
BU-BK
C1:12
1
BN-BU
GY-BU
GY-VT
GY-OG
GY-OG
GN-VT
RD-BK
RD-BU
74/411
LHD
RHD
LHD
CAN
LIN
FSM
CAN
C1:11
BN-BU
GY-BU
C1:6
C1:7
FLR
CAN
10
1
18
Au Au
9
C1:8
C1:9
4
BK
BK
BK
C1:10
Au
Au
Au
5
3
3
31/96
BK-RD
31/83
BK
73/3030
73/4017
73/4016
C1:3
GN-BN
2
C1:4
BU-GN
3
C1:15
Au
Au
Au
Au
Au
Au
VT
4
GY-VT
C1:1
C1:2
C1:3
C1:4
C1:5
C1:6
74/418
WH
BN
YE
GY
GN
27/5
1
2
3
4
5
6
C1:7S
7S
C2:1
C2:2
C2:3
C2:4
C2:5
C2:6
WH
BN
VT
YE
GY
GN
C2:7S
RHD
9/39
GY-BK
1
GY-BKGY-BK
2
+
-
C1:1
C1:14
FLC
74/412
74/901
8
10
BKBK
BK
Au
Au
Au
Au
GY-VT
1
2
F19
R7
2/31
GY-BK
74/411
17
19
I06216
BK-RD
BK-RD
2 3
74/321
BN-BU
GY-BU
74/321
8
7
GY-VT
GY-OG
74/321
6
BK-RD
VT
C1:18
C1:19
Au
Au
9/39
+
-
GY-BK
1
2
BK
C1:4
C1:3
CVM
CAN
4/125
GN-BK
BU-BK
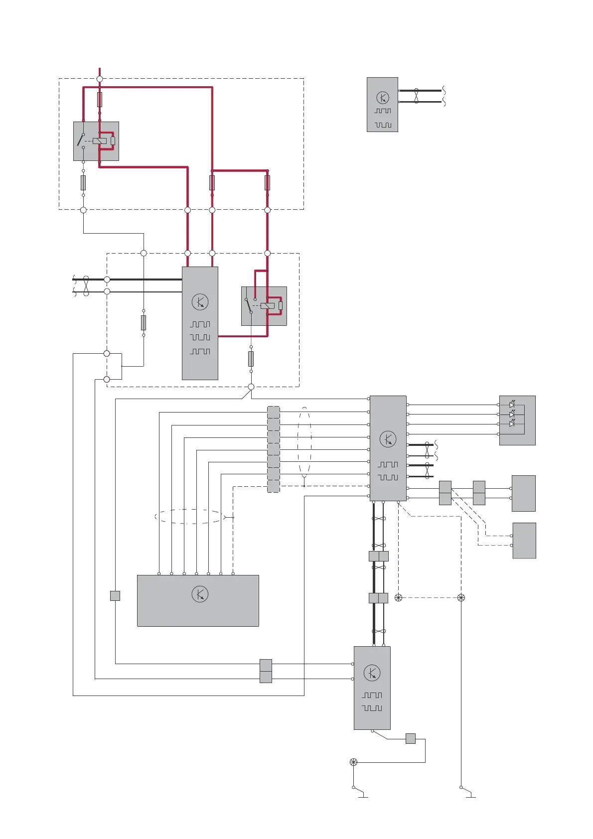
Group 36 Additional electrical equipment
Collision warning with power brake booster

Table of Contents

Other manuals for Volvo XC70 2012

Related product manuals