EasyManua.ls Logo

Volvo XC70 2012 - Page 54

Volvo XC70 2012
364 pages
Print Icon
To Next Page IconTo Next Page
To Next Page IconTo Next Page
To Previous Page IconTo Previous Page
To Previous Page IconTo Previous Page
Loading...
TP 39217202 XC70(08-) & S80(07-) 2012 54
LIN
A:2
SHMSHM
CCM
9/139/123/65
LIN
A:2
SHM
9/14
LIN
A:2
SHM
9/15
LIN
A:2
LIN
3
4/6
LIN
C1:12 C1:7
7/90
LIN
2
LIN
3/176
3
LIN
LCM
27/3
5
LIN
DDM
3/126
C2:4
LIN
PDM
3/127
C1:20
C2:4
BN-VTBN-VT
WH-GN
WH-GN
WH-GN
WH-GN
BN-VTBN-VTBN-VT
BN-VT
BN-VT
BN-VT
BN-VT
BN-VTBN-VT
LHD
WH-GN WH-GN
WH-GN
RHD
WH-GNWH-GN
LHD
RHD
BU-BN
BU-BN
BU-BN
WH-GN
GN-WH
GN-WH
GN-WH
GN-WH
GN-WH
GN-WHAu
Au
GN-WH
18
74/501
4
74/30
4
74/31
1 2 11
74/401 74/901
15
74/409
4
74/507
ECM
LIN
4/46
ACM
G
LIN
6/26
Ag
C2:1
A:36Ag
73/5021
73/5019
73/4010
16
74/409
ECM
LIN
4/46
5 CYL.T
5 CYL.D
A:46 Ag
ECM
LIN
4/46
4 CYL.T
A:41
LIN
LDM
3/128
20
LIN
RDM
3/129
20
LIN
RCM
27/4
5C1:20
BLIS
LHD
RHD
GN-WH
GN-WH
Au Au
GN-WH
LHD
GN-WH
BLIS
4
74/508
7
74/510
7
74/509
3 2
74/417
3/112
2
LIN
6/103
DMM
2
LIN
6/48
DMM
2
LIN
6/95
DMM
2
LIN
6/96
DMM
2
LIN
6/102
DMM
GN
GN
GN
S1
S3
YE
YE
YE
GN
LHD
LHD
RHD
RHD
BLIS
BLIS
GN-WH
GN-WH
ECM
LIN
4/46
6 CYL.T
C:92
ECM
LIN
4/46
4 CYL.D
B:2
BU-BN
ECM
LIN
4/46
6 CYL.
A:92
BU-BN
B6324S2
B6324S2
BU-BN 2,0D
ECM
LIN
4/46
6 CYL.
A:92Ag
BU-BN
73/3095
7/200
LIN
2
BU-BN
B6324S2
BU-BN
Ag
BN-VT
18
74/412
73/4047
BN-VT
I06012
HUS
Ag
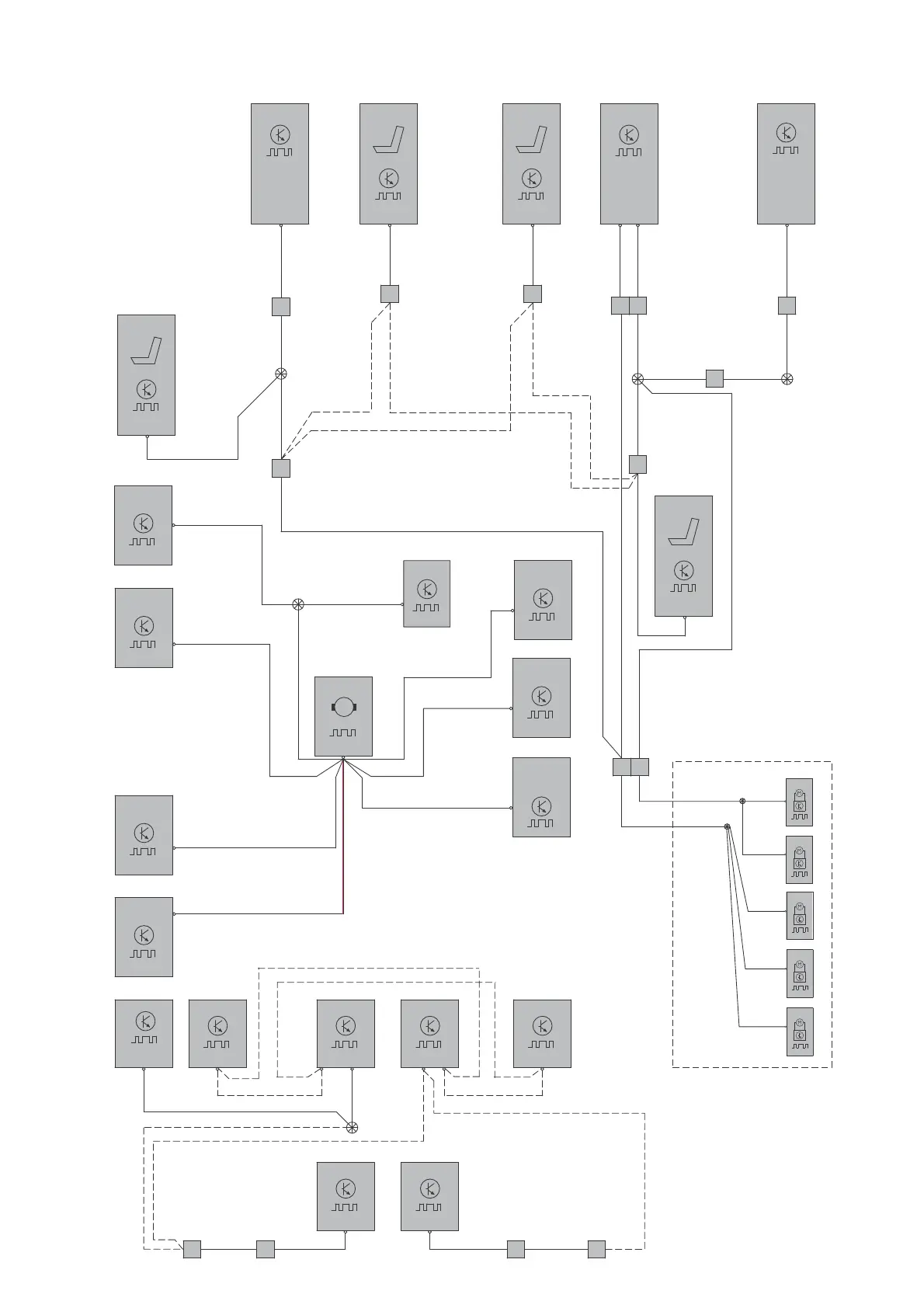
Control modules
Data communication, LIN 2:2

Table of Contents

Other manuals for Volvo XC70 2012

Related product manuals