EasyManua.ls Logo

Volvo XC70 2012 - Page 69

Volvo XC70 2012
364 pages
Print Icon
To Next Page IconTo Next Page
To Next Page IconTo Next Page
To Previous Page IconTo Previous Page
To Previous Page IconTo Previous Page
Loading...
TP 39217202 XC70(08-) & S80(07-) 2012 69
17
ECM
B:4
B:2
B:1
CAN
4 CYL T
4/83
5
6
4
3
1
YE-OG
YE-OG
31/7
73/3005
73/3094
73/5072
73/5071
30+
CAN
CEM
F13
15/31
2/31
LIN
1
2
4/56
7/8
3/284
1
2
F20
1
2
F22
1
2
1
2
11A/2
1
2
R7
3
52
1
11B/17
RD-BU
18
74/301
18
10
29
7
6
2
1
74/504
74/507
7/51
1
4
2
5
3
6
C5:2C1:13
C2:76C2:26
C1:3
C1:2
C1:5
C1:6
C2:16
C2:34
C2:52
C2:58
B:30
B:15
B:14
B:45
VT-BN
VT-BN
VT-BN
VT-OG
VT-BN
VT-OG
13
14
15
3
1
2
C1:63
B:37
B:31
BN
GY-BN
B:51
GN-BN
BN
GY-BN
GN-BN
GY-BK
GN-VT
YE-OG
GN-OG
VT-GN
BU-RD
C2:55
74/511
17 3
17 18
YE-OG
B:34
B:35
BK-WH
WH
BK-WH
WH
19
B:26
BU-WH
YE-OG
YE-OG
BU-WH
BU-WH
B:5
B:6
BK-YE
BK-YE
BK-YE
BU-BN
BK-YEBK-YE
YE-OG
WH
BK-WH
Au
AuBK-WH
YE-GY
WH-BN
BK-BU
BK-BU
BK-BU
BK
BK-OG
BN-GN
BK-OG
WH
31/66
31/XX10
BK-YE
LHD
LHD
LHD
RHD
RHD
RHD
3
BK-YE
B:27
Ag
Ag
Ag
4/46
A
GY-VT
B
BK-YE
1
2
11B/20
1
2
11B/22
1
2
11B/27
P
y
M
x
M
M
F
6/62
7/69
MEM
X
MEM
Y
6/33
M
5
46 12
B:41
B:54
74/301
32
73/3064
AUTO
VT-BN
VT-BN
AUTO
MAN
BU-BN
C
74/514
31/84
4/28
TCM
CAN
VT-BN
A:5
A:11
GY-BN
B:13
PEM
Ag
Ag
Ag
Ag
Ag
Ag
Ag
Ag
Ag
Ag
Ag
Ag
Ag
Ag
Ag
Ag
Ag
MPS6
3
C1:3
B:25
BN-WH BN-WH
I06223
7/6
P
1
2
B:29
Ag
BU-BN
3/9
1
2
C2:45
RD-WH
1.6 L.
7/123
MAN
C1:52
C1:34
C1:16
1
2
3
WH-VT
BN-GN
GN
Au
Au
Au
VT-WH
BU-WH
B:18
B:49
B:24
1
3
2
BN-VT
BU-WH
YE-OG
3
2
1
7/251
7/251
VAC
P
YE-OG
BN-VT
Ag
Ag
Ag
STOSTA
STOSTA
STOSTA
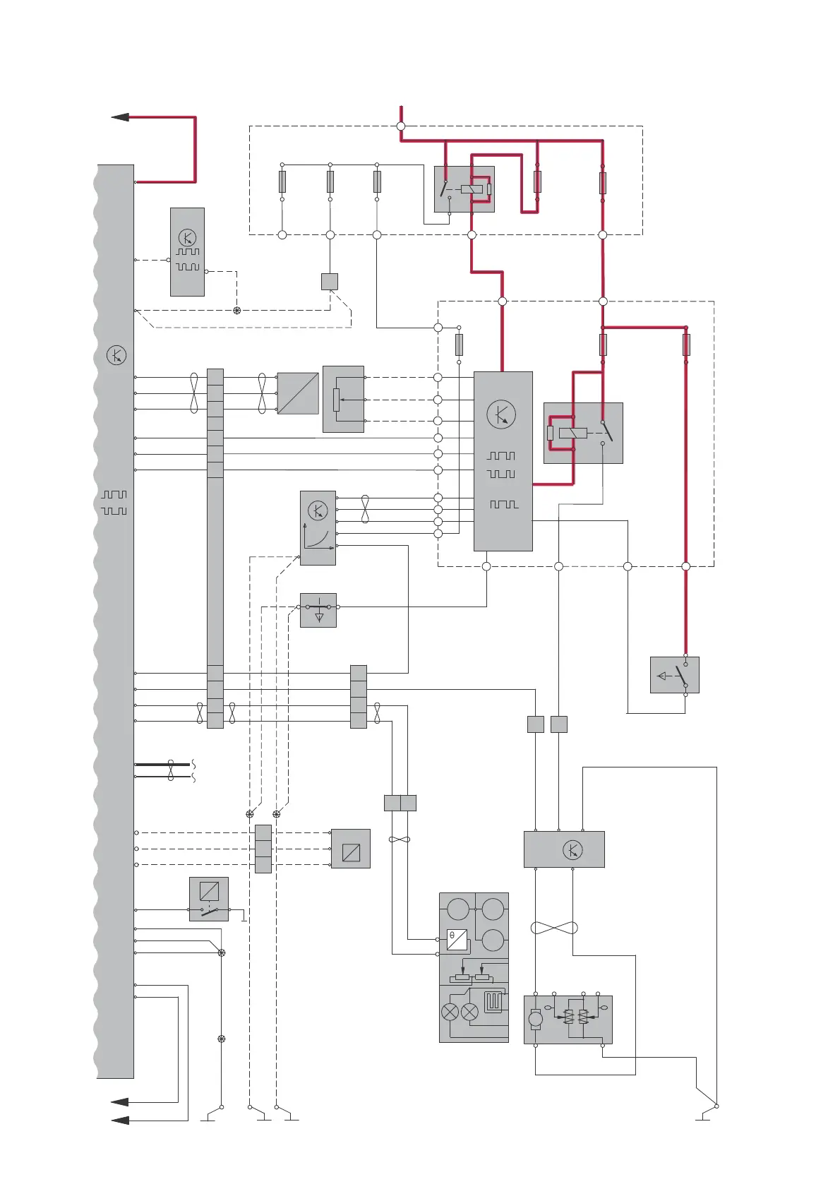
Group 28 Ignition and control system
Engine management system B4164T 2:2

Table of Contents

Other manuals for Volvo XC70 2012

Related product manuals