EasyManua.ls Logo

Volvo XC70 2012 - Page 81

Volvo XC70 2012
364 pages
Print Icon
To Next Page IconTo Next Page
To Next Page IconTo Next Page
To Previous Page IconTo Previous Page
To Previous Page IconTo Previous Page
Loading...
TP 39217202 XC70(08-) & S80(07-) 2012 81
6 CYL
B:41
B:54
B6324S4
1
25
3
ECM
B:6
B:4
B:2
CAN
3/9
1
2
4/93
C5:14
4/83
5
6
4
3
1
YE-OG
YE-OG
73/301273/3094
30+
CAN
CEM
F13
15/31
2/31
LIN
1
2
4/56
7/8
F20
1
2
F22
1
2
1
2
1
1
2
R7
11B/17
2
11B/27 11A/2
RD-BU
18
17
74/301
18
10
29
7
6
2
1
74/504
74/507
7/51
1
2
5
3
6
C5:2C1:13
C2:76C2:26
C1:3
C1:2
C1:5
C1:6
C2:16
C2:34
C2:52
C2:58
B:30
B:14
B:21
VT-BN
VT-OG
VT-BN
VT-OG
13
14
15
3
1
2
C1:63
B:53
B:31
BN
GY-BN
B:51
Ag
Ag
Ag
Ag
Ag
Ag
Ag
Ag
Ag
GN-BN
BN
GY-BN
GN-BN
GY-BK
GN-VT
YE-OG
GN-OG
VT-GN
BU-RD
C2:55C2:45
RD-WH
VT-WH
VT-WH
74/514
KVM
17 3
17 18
YE-OG
B:34
B:35
BK-WH
WH
BK-WH
WH
19
B:26
BU-WH
YE-OG
YE-OG
BU-WH
BU-WH
B:5
B:3
BK-YE
BK-YE
BK-YE
GY-BU
WH
BK-YE
BK-YE
YE-OG
WH
BK-WH
Au
Au
Au
AuBK-WH
YE-GY
WH-BN
WH
31/66
31/XX10
BK-YE
3
BK-YE
B:27
B:16
4/46
B
GY-VT
A
RD-VT
C
D
BK-YE
1
2
11B/20
P
y
M
x
M
M
F
6/62
7/69
MEM
X
MEM
Y
6/33
M
5
46 12
3/284
1
BN-GN
B:15
Ag
Ag
Ag
Ag
VT-BN
74/301
32
73/3064
VT-BN
VT-BN
74/511
PEM
4/28
TCM
CAN
GY-BN
VT-BN
B:13
A:5
A:11
Ag
Ag
Ag
Ag
Ag
Ag
Ag
73/5072 73/5071
4
BK-BU
BK-BU
BK
BK-OG
31/84
LHD
LHD
RHDRHD
2
BK-BU
BK-OG
LHD
RHD
31/7
I012417
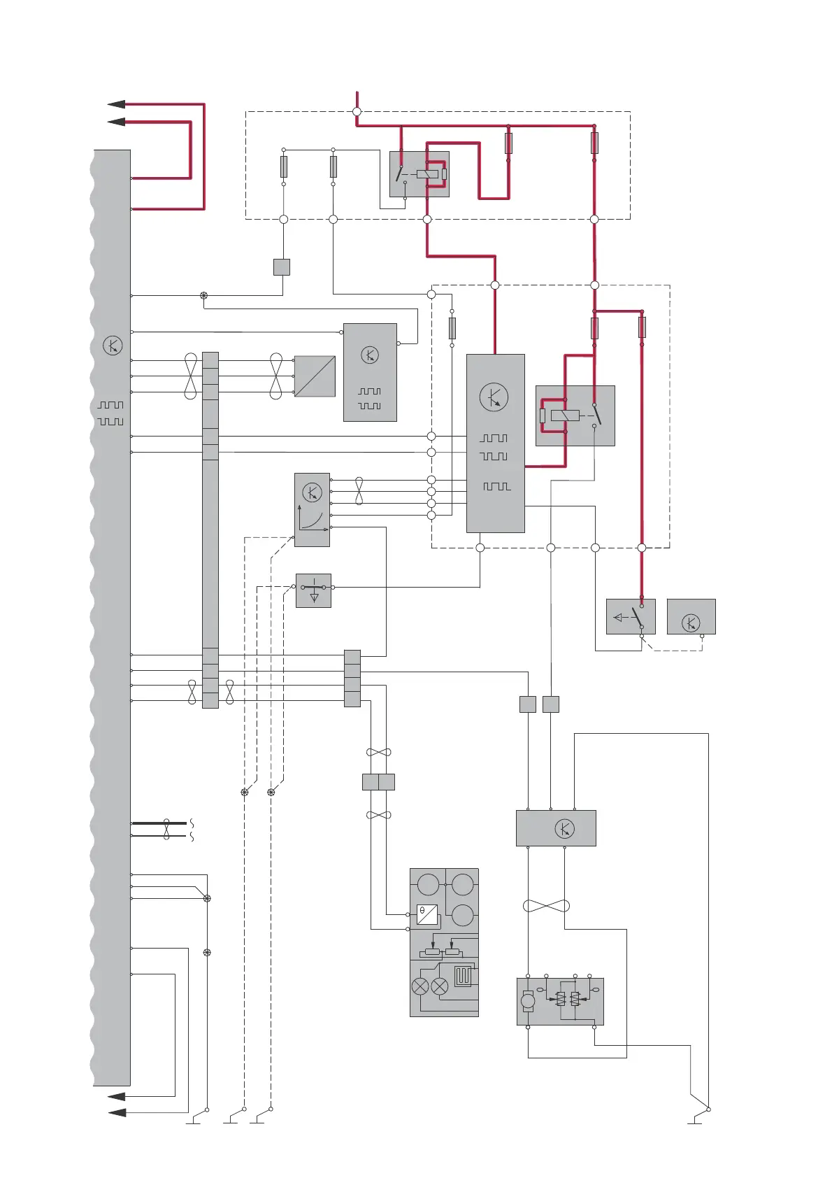
Group 28 Ignition and control system
Engine management system B6324S4 2:2

Table of Contents

Other manuals for Volvo XC70 2012

Related product manuals