EasyManua.ls Logo

Wittenborg FB 7100 - Functional Descriptions; Total Overview of the Water System

Wittenborg FB 7100
284 pages
Print Icon
To Next Page IconTo Next Page
To Next Page IconTo Next Page
To Previous Page IconTo Previous Page
To Previous Page IconTo Previous Page
Loading...
Service Manual FB 7100 Water System
January, 2005 5A - 17
A.3. Functional descriptions
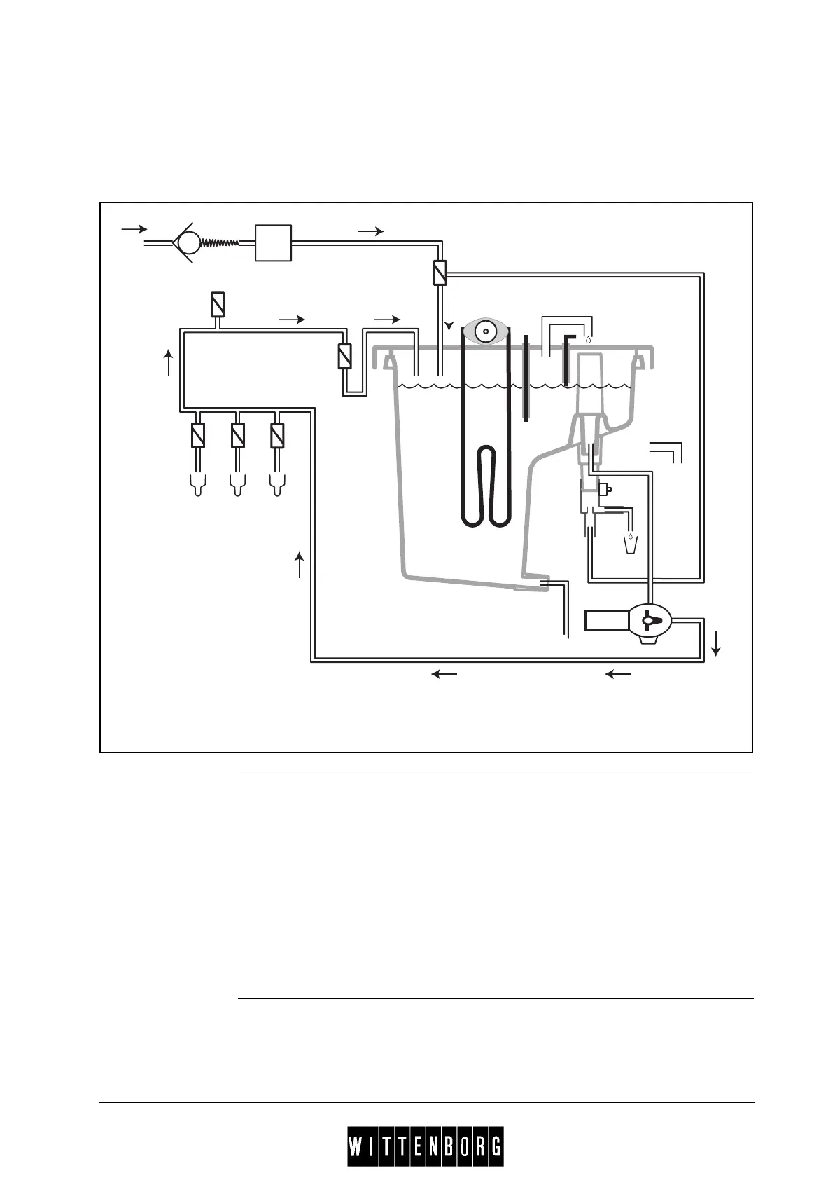
A.3.1 Total overview of the water system
Legend
P
V1
V3
I
A
H
B
T
FB
VR
D
C
E
A Water level sensor
B Boiler
C Recipient, e.g. cup
D Dry boiling protection
E Overboil sensor
H Heating element
P Pump
T Temperature sensor
VR Recirculation valve
V1 - V3 IN Dispensing valves
FB FB Dispensing valve

Table of Contents

Other manuals for Wittenborg FB 7100

Related product manuals