EasyManua.ls Logo

Yamaha FJR1300A - Page 160

Yamaha FJR1300A
586 pages
Print Icon
To Next Page IconTo Next Page
To Next Page IconTo Next Page
To Previous Page IconTo Previous Page
To Previous Page IconTo Previous Page
Loading...
GENERAL CHASSIS
4-3
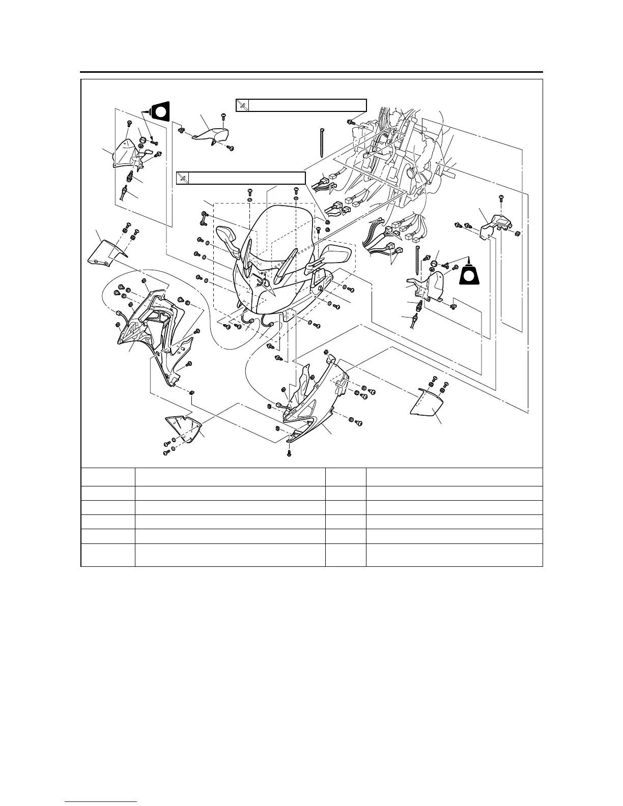
17 Handlebar switch coupler 2 Disconnect.
18 Front cowling wire harness coupler 5 Disconnect.
19 Horn connector 4 Disconnect.
20 Front cowling assembly 1
For installation, reverse the removal proce-
dure.
Removing the front cowling assembly
Order Job/Parts to remove Qty Remarks
T
R
.
.
32 Nm (3.2 m
kg, 23 ft
Ib)
T
R
.
.
10 Nm (1.0 m
kg, 7.2 ft
Ib)
LT
LT
10
9
4
8
20
1
3
6
7
2
12
11
5
12
16
11
14
13
9
18
19
17
19
15
18
18
Manuals by Motomatrix / www.motomatrix.co.uk / The Solution For Lost Motorcycle Coded Keys
email: info@motomatrix.co.uk

Table of Contents

Other manuals for Yamaha FJR1300A

Related product manuals