EasyManua.ls Logo

Comet Synertia RF - Theory of Operation; Figure 12: Synertia RF Generator Block Diagram

Comet Synertia RF
125 pages
Print Icon
To Next Page IconTo Next Page
To Next Page IconTo Next Page
To Previous Page IconTo Previous Page
To Previous Page IconTo Previous Page
Loading...
32 User Manual Synertia® RF Generator
The information contained in this manual is subject to change by Comet Yxlon without prior notice.
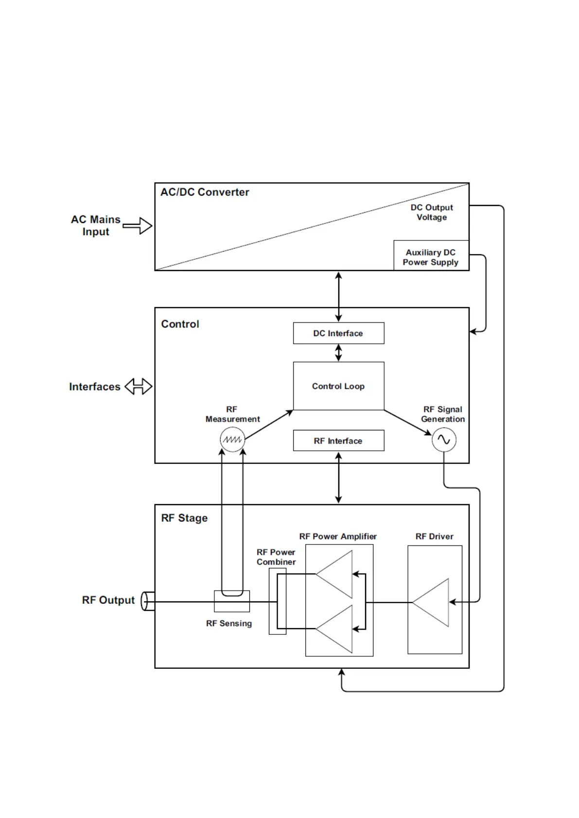
2.3 Theory of operation
The Synertia® RF generator includes functional blocks as shown in the following block
diagram:
Figure 12: Synertia® RF generator block diagram

Table of Contents