EasyManua.ls Logo

Comet Synertia RF - Schematics for 15-Pin User Port; Figure 45: Analog Input; Figure 46: Analog Output; Figure 47: Digital Input

Comet Synertia RF
125 pages
Print Icon
To Next Page IconTo Next Page
To Next Page IconTo Next Page
To Previous Page IconTo Previous Page
To Previous Page IconTo Previous Page
Loading...
80 User Manual Synertia® RF Generator
The information contained in this manual is subject to change by Comet Yxlon without prior notice.
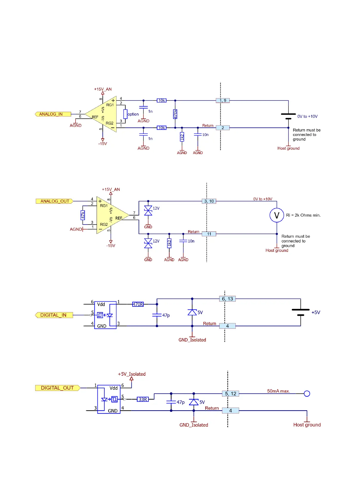
9.2.2 Schematics for 15-pin User Port
Figure 45: Analog Input
Figure 46: Analog Output
Figure 47: Digital Input
Figure 48: Digital Output

Table of Contents