EasyManua.ls Logo

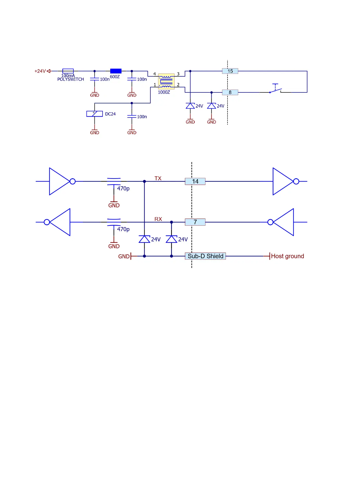
Comet Synertia RF - Figure 49: Interlock; Figure 50: Serial Interface RS-232

Comet Synertia RF
125 pages
Print Icon
To Next Page IconTo Next Page
To Next Page IconTo Next Page
To Previous Page IconTo Previous Page
To Previous Page IconTo Previous Page
Loading...
User Manual Synertia® RF Generator 81
The information contained in this manual is subject to change by Comet Yxlon without prior notice.
Figure 49: Interlock
Figure 50: Serial Interface RS-232

Table of Contents