EasyManua.ls Logo

Freescale Semiconductor MPC5200B - Simplified Block Diagram-Mpc5200; Block Diagram

Freescale Semiconductor MPC5200B
762 pages
Print Icon
To Next Page IconTo Next Page
To Next Page IconTo Next Page
To Previous Page IconTo Previous Page
To Previous Page IconTo Previous Page
Loading...
Architecture
MPC5200B Users Guide, Rev. 1
Freescale Semiconductor 1-3
A dynamically managed external pin multiplexing scheme minimizes overall pin count. The result is low cost packaging and board assembly
costs.
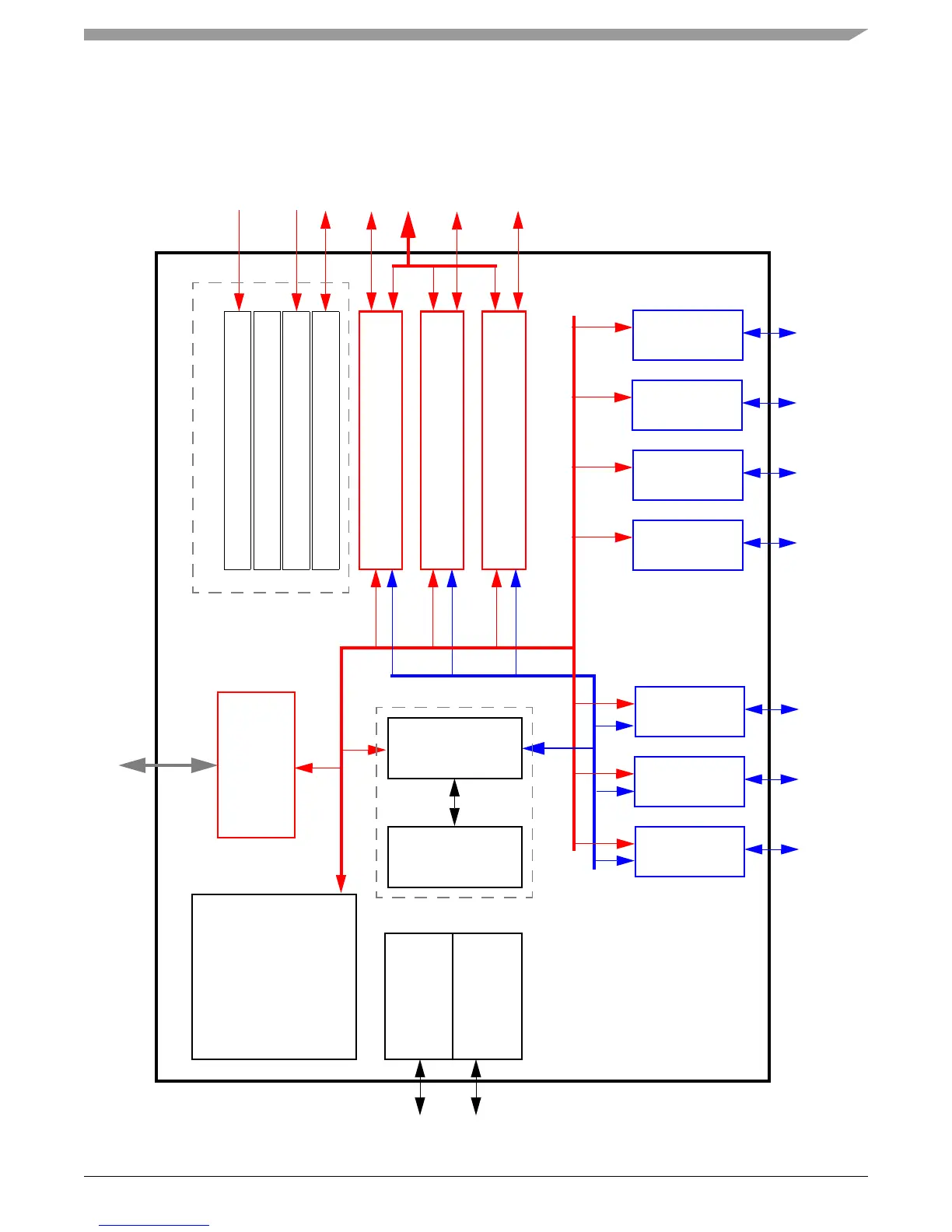
Figure 1-1 shows a simplified MPC5200B block diagram.
Figure 1-1. Simplified Block Diagram—MPC5200B
e300 Core
SDRAM / DDR
JTAG / COP
Interface
Reset / Clock
MSCAN
Real-Time Clock
System Functions
Interrupt Controller
GPIO/Timers
PCI Bus Controller
LocalPlus Controller
ATA Host Controller
Systems Interface Unit (SIU)
SDRAM / DDR
CommBus
Local
BestComm DMA
SRAM 16K
Bus
J1850
USB
SPI
I
2
C
Ethernet
PSC
Memory Controller
Generation
2x
2x
2x
6x

Table of Contents