EasyManua.ls Logo

Freescale Semiconductor MPC5200B - Generic TAP Link Module (TLM) Diagram

Freescale Semiconductor MPC5200B
762 pages
Print Icon
To Next Page IconTo Next Page
To Next Page IconTo Next Page
To Previous Page IconTo Previous Page
To Previous Page IconTo Previous Page
Loading...
TAP Link Module (TLM) and Slave TAP Implementation
MPC5200B Users Guide, Rev. 1
Freescale Semiconductor 21-3
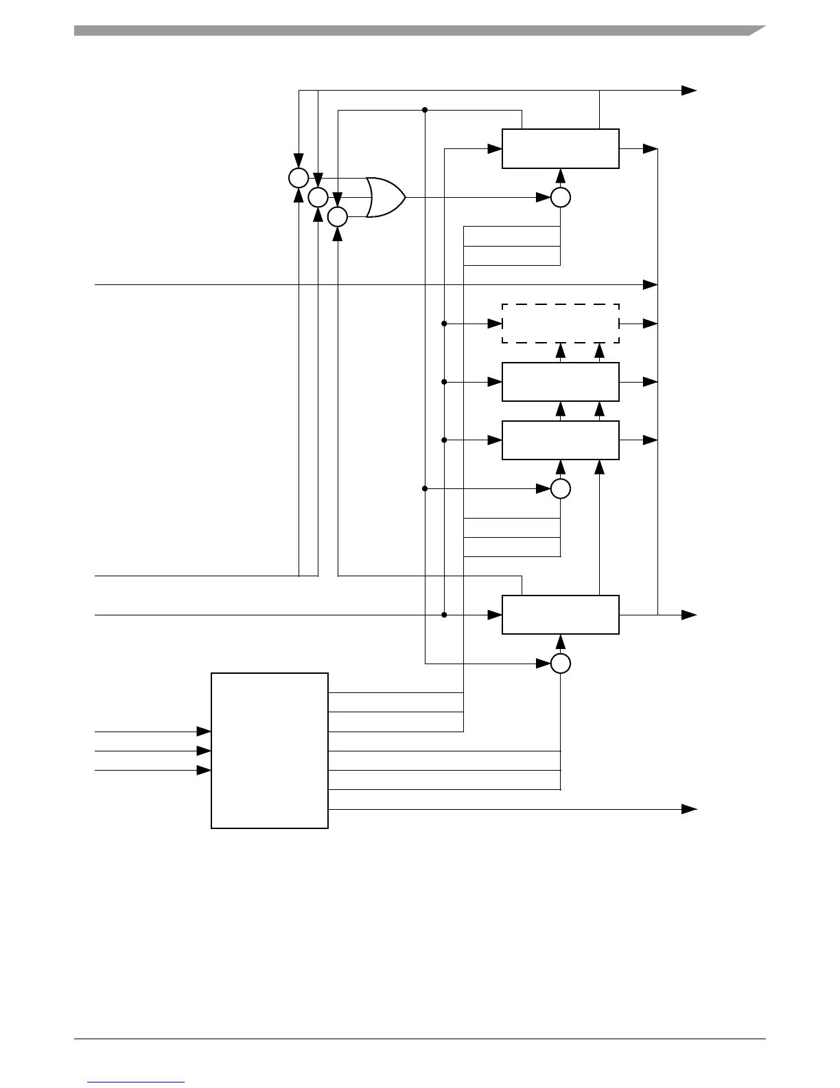
Figure 21-2. Generic TAP Link Module (TLM) Diagram
STDO[0:n]
TLMENA
ENA[0:n]
Link
ShiftDR
ClockDR
UpdateDR
DeviceID
BdyScan
&
&
&
&
Bypass
TLMSEL
SEL[0:n]
TDO
ShiftDR
ClockDR
UpdateDR
IR
ShiftDR
TDI
TMS
ClockDR
UpdateDR
ShiftIR
ClockIR
UpdateIR
TAP State
TCK
TRST-
Machine
STRST-
edoce
&
&

Table of Contents