EasyManua.ls Logo

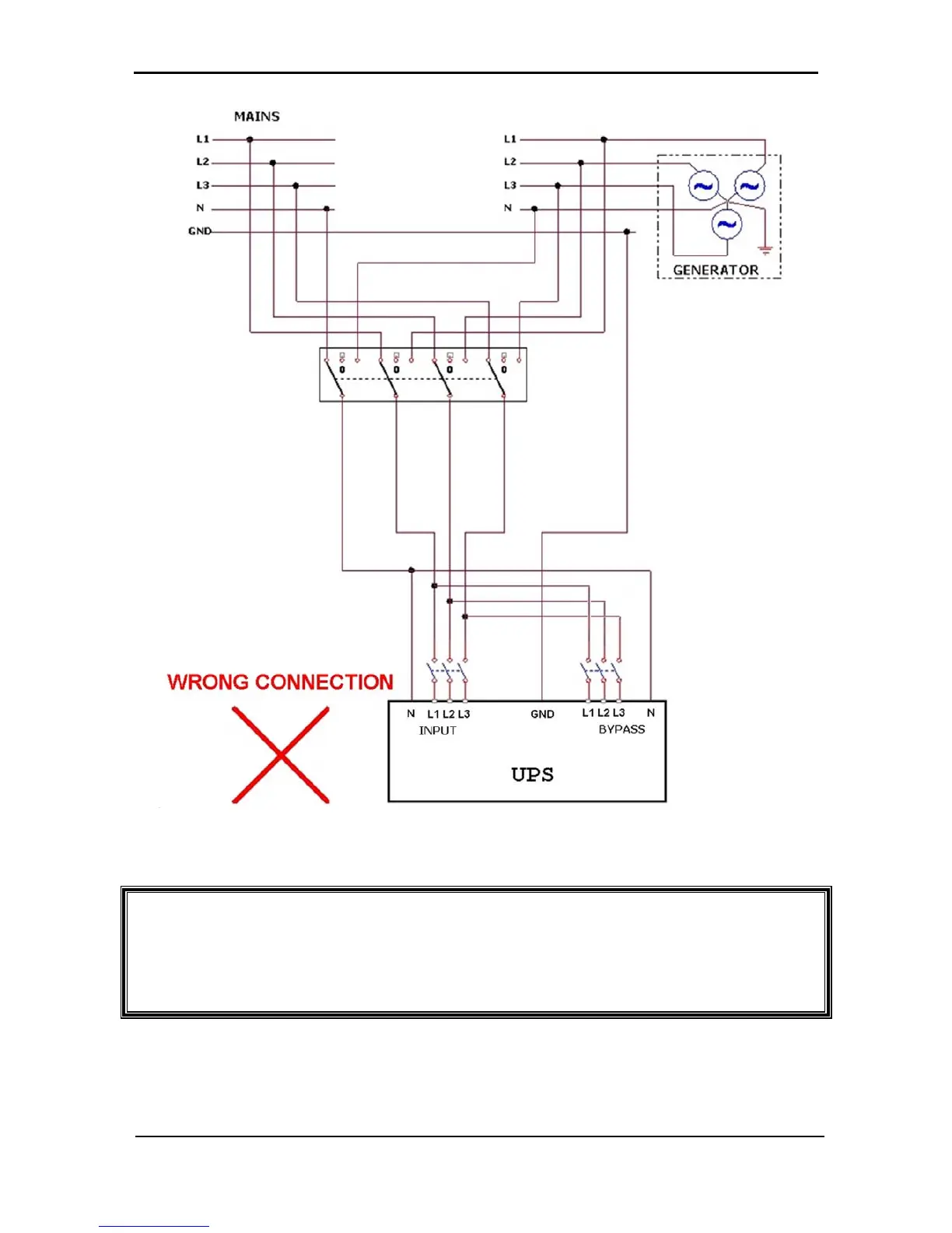
Gamatronic Power+ - Figure 4: Wrong Way to Connect UPS with Four-Pole Switch

Gamatronic Power+
176 pages
Print Icon
To Next Page IconTo Next Page
To Next Page IconTo Next Page
To Previous Page IconTo Previous Page
To Previous Page IconTo Previous Page
Loading...
GAMATRONIC ELECTRONIC INDUSTRIES LTD.
POWER
+
PARALLEL
UPS,
USER GUIDE
,
REL
.
2.0
9
Figure 4: Wrong way to connect UPS with four-pole switch
WARNING!
A 4-pole switch may disconnect the neutral line
if improperly connected!

Table of Contents

Related product manuals