EasyManua.ls Logo

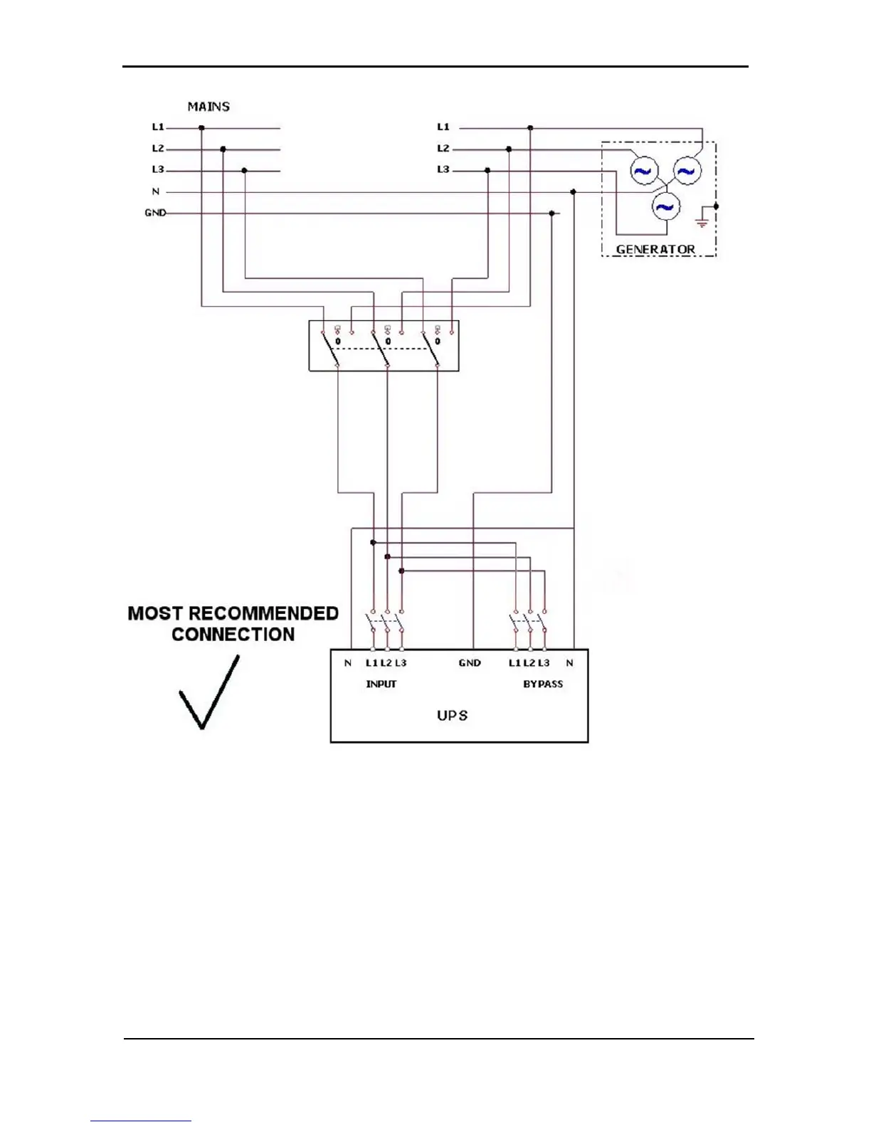
Gamatronic Power+ - Figure 6: Preferred Generator (Neutralized) and Connection (3-Pole)

Gamatronic Power+
176 pages
Print Icon
To Next Page IconTo Next Page
To Next Page IconTo Next Page
To Previous Page IconTo Previous Page
To Previous Page IconTo Previous Page
Loading...
GAMATRONIC ELECTRONIC INDUSTRIES LTD.
POWER
+
PARALLEL
UPS,
USER GUIDE
,
REL
.
2.0
11
Figure 6: Preferred generator (neutralized) and connection (3-pole)

Table of Contents

Related product manuals