EasyManua.ls Logo

Gamatronic Power+ - Checks After First-time Startup

Gamatronic Power+
176 pages
Print Icon
To Next Page IconTo Next Page
To Next Page IconTo Next Page
To Previous Page IconTo Previous Page
To Previous Page IconTo Previous Page
Loading...
GAMATRONIC ELECTRONIC INDUSTRIES LTD.
10
POWER
+
PARALLEL
UPS,
USER GUIDE
,
REL
.
2.0
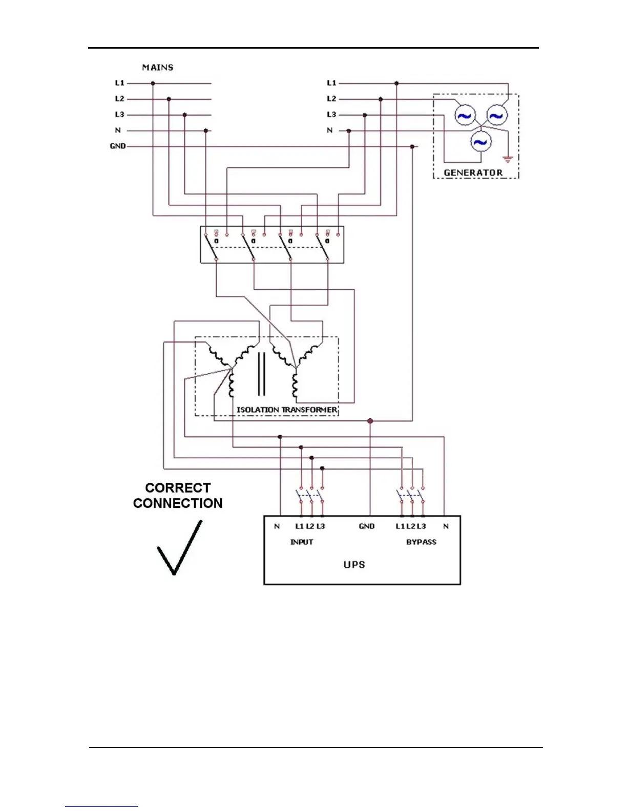
Figure 5: Acceptable connection for grounded generator and 4-pole switch

Table of Contents

Related product manuals