EasyManua.ls Logo

Gamatronic Power+ - Static Switch Panel

Gamatronic Power+
176 pages
Print Icon
To Next Page IconTo Next Page
To Next Page IconTo Next Page
To Previous Page IconTo Previous Page
To Previous Page IconTo Previous Page
Loading...
GAMATRONIC ELECTRONIC INDUSTRIES LTD.
POWER
+
PARALLEL
UPS
SYSTEM USER GUIDE
, 2.0
17
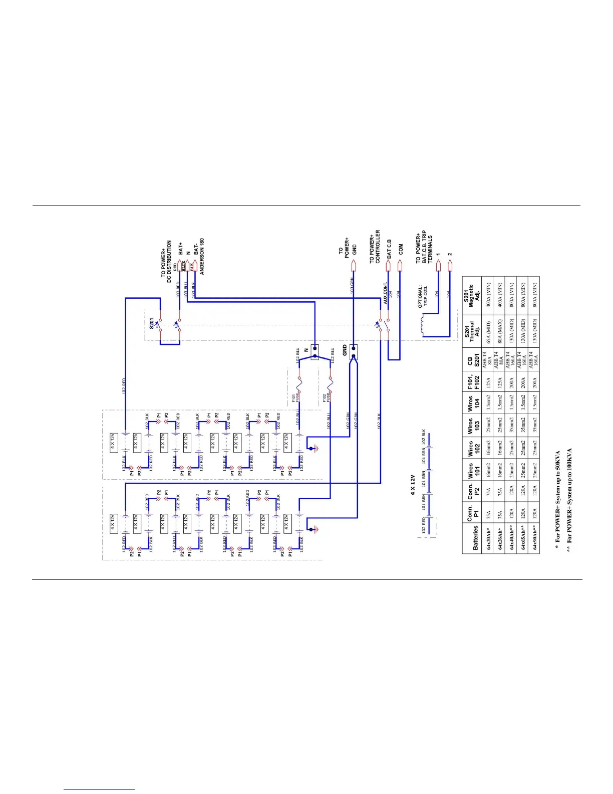
Figure 9: Battery wiring diagram

Table of Contents

Related product manuals