EasyManua.ls Logo

Hioki LR8450 - Page 231

Hioki LR8450
425 pages
Print Icon
To Next Page IconTo Next Page
To Next Page IconTo Next Page
To Previous Page IconTo Previous Page
To Previous Page IconTo Previous Page
Loading...
226
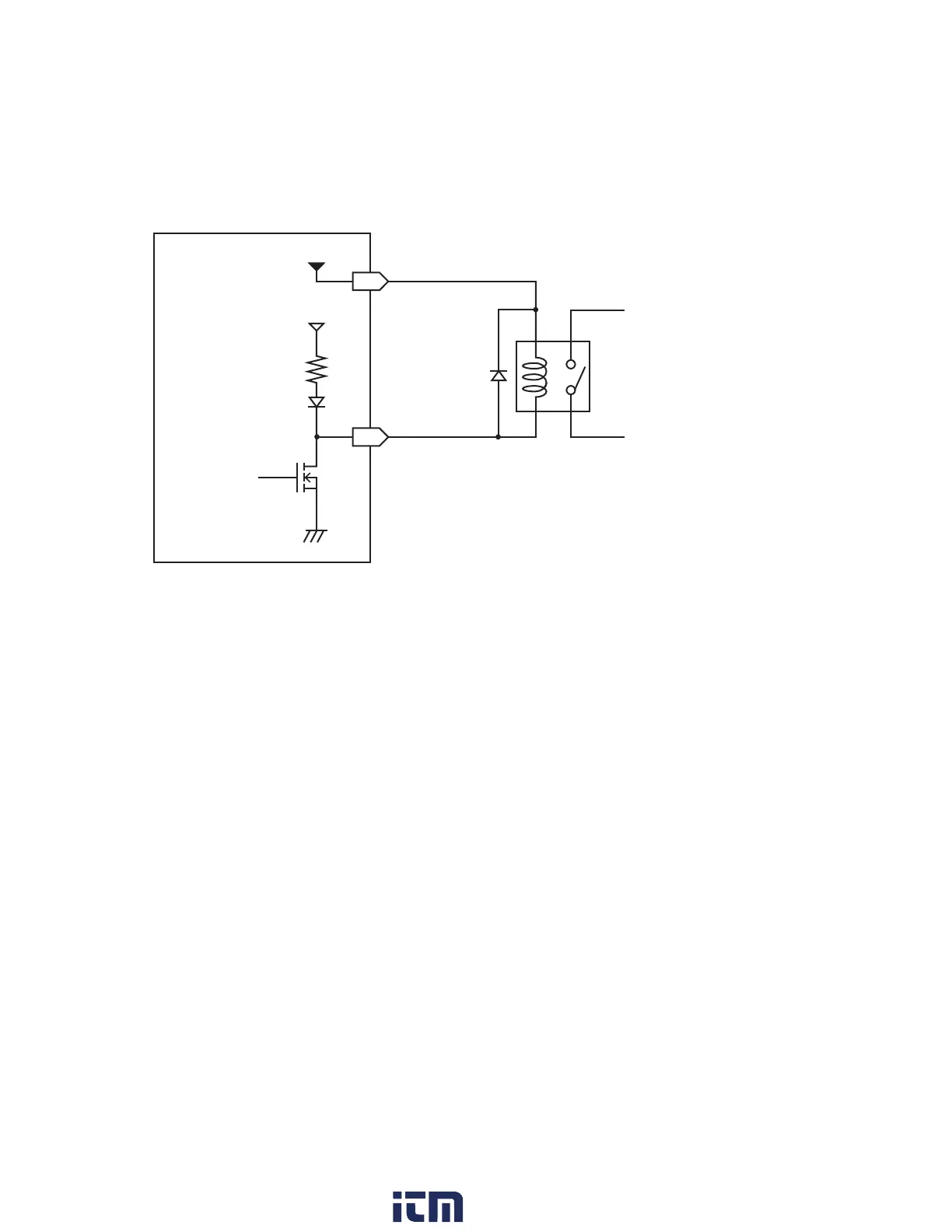
Conguring Alarm Output (ALARM)
Alarm output terminal circuit diagram and example connection
Select the relay with the contact conguration to perform the desired operation.
The example connection illustrates a circuit in which the relay will operate when the alarm output is
low.
VOUTPUT
Max. 200 mA
Max. 100 mA
Instrument
5 V DC
10 k
Ω
GND
Relay
Select the appropriate VOUTPUT
voltage for the relay coil’s rated voltage.
ALARM
+
HIOKI LR8450A964-03
w ww . . co m
information@itm.com1.800.561.8187

Table of Contents

Other manuals for Hioki LR8450

Related product manuals