EasyManua.ls Logo

Hitachi 902 - Explanation of LED

Hitachi 902
427 pages
Print Icon
To Next Page IconTo Next Page
To Next Page IconTo Next Page
To Previous Page IconTo Previous Page
To Previous Page IconTo Previous Page
Loading...
10 - 15
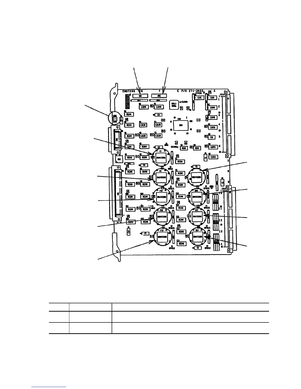
(3) External View
Explanation of LED
No. Name Description
1 LED1 (green) Lit upon generation of interrupt from any of GPCONT1 to GPCONT4 and
GMCONT to master CPU.
2 LED2 (green) Lit upon generation of interrupt from any of GPCONT5 to GPCONT8 to
master CPU.
DIP SW1
DIP SW2
LED
GMCONT
GPCONT1
GPCONT2
GPCONT5
GPCONT6
GPCONT7
GPCONT8
GPCONT3
GPCONT4

Table of Contents

Related product manuals