EasyManua.ls Logo

Hitachi 902 - Page 247

Hitachi 902
427 pages
Print Icon
To Next Page IconTo Next Page
To Next Page IconTo Next Page
To Previous Page IconTo Previous Page
To Previous Page IconTo Previous Page
Loading...
10 - 29
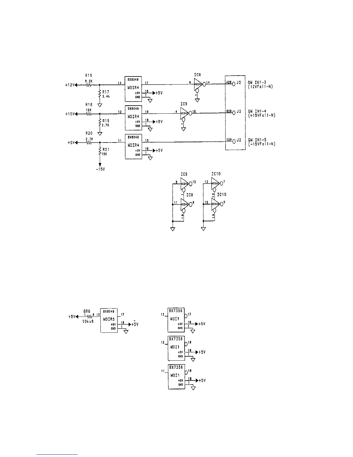
Circuit 271352000 (4/5).

Table of Contents

Related product manuals