EasyManua.ls Logo

Intermac Primus 184 - 2.7 5-axis working head (X, Y, Z, A, C)

Default Icon
132 pages
Print Icon
To Next Page IconTo Next Page
To Next Page IconTo Next Page
To Previous Page IconTo Previous Page
To Previous Page IconTo Previous Page
Loading...
2 Machine description
28
BIESSE S.p.A. © - p702k0003.fm251111
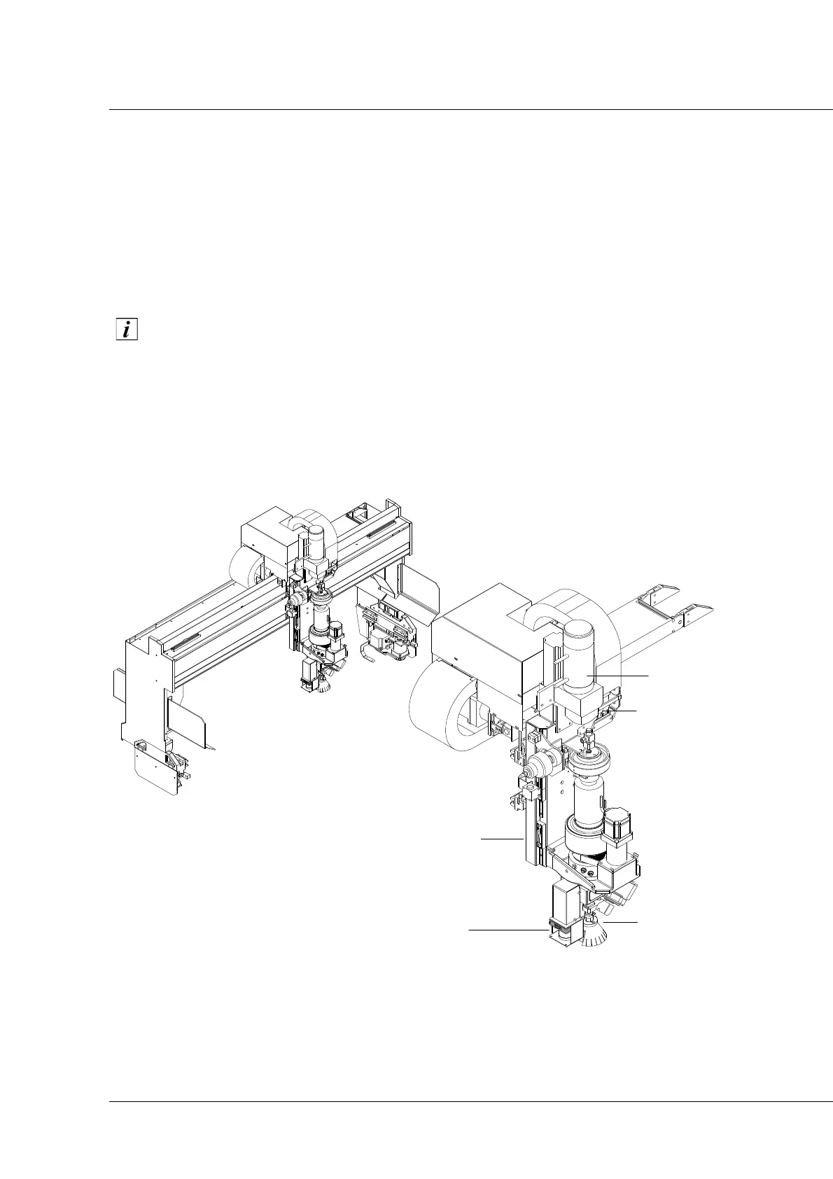
2.7 5-axis working head (X, Y, Z, A, C)
The working head is located on the mobile beam. It is formed of:
A- Axiz Z carriage
B- Cutting head: a support for housing the orifice and the focusing nozzle. A mobile guard
(called a "hood") encloses the cutting area.
The cutting head is usually closed to allow the passage of the pressurised water on
command. This means that in the event of a fault or blackout, the head interrupts the flow
automatically.
CThickness tracer
DLaser pointer
EHopper (optional)
A
C
B
E
D

Table of Contents