EasyManua.ls Logo

Mitsubishi LANCER EVOLUTION-V 1998

Mitsubishi LANCER EVOLUTION-V 1998
526 pages
To Next Page IconTo Next Page
To Next Page IconTo Next Page
To Previous Page IconTo Previous Page
To Previous Page IconTo Previous Page
Loading...
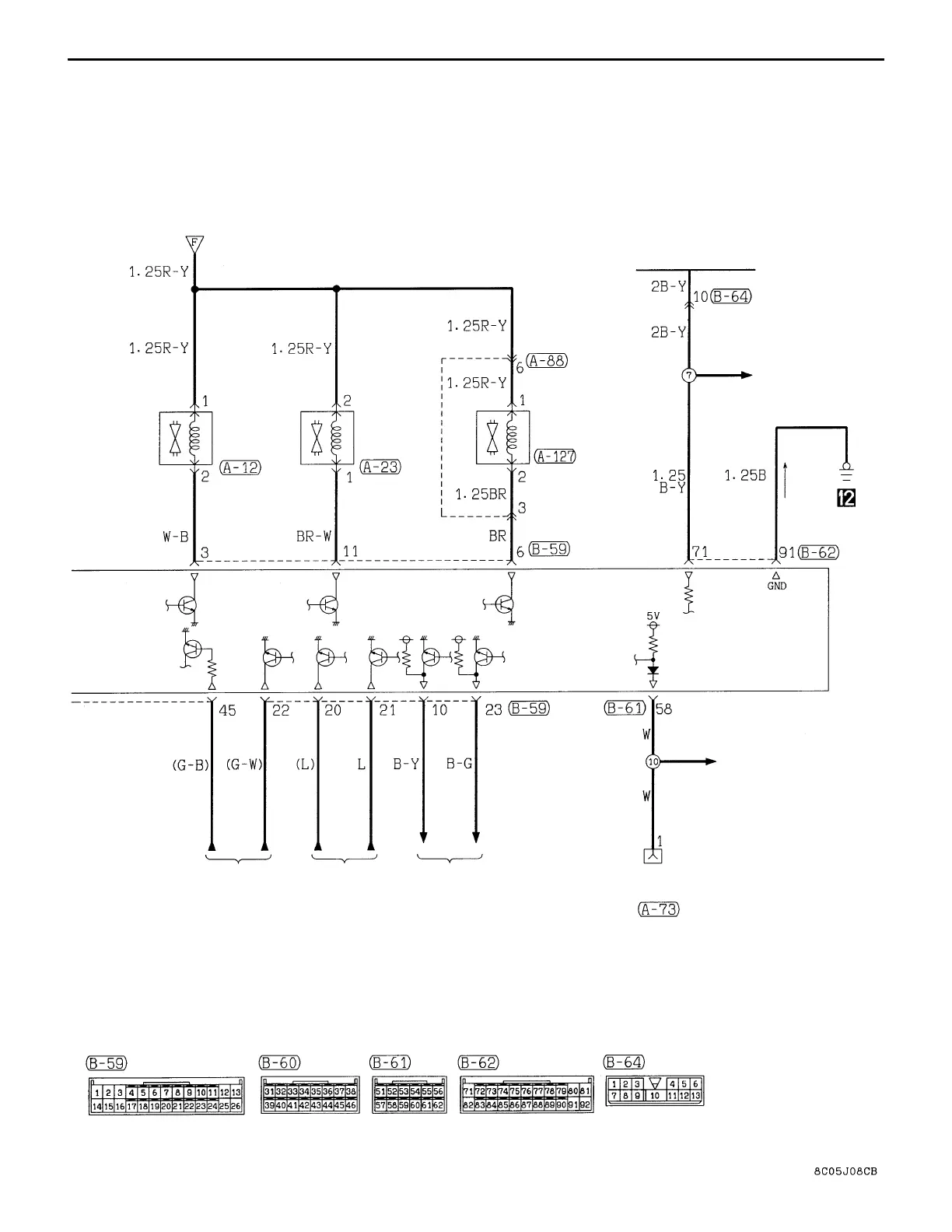
CIRCUIT DIAGRAM Engine Control System
IDLE SPEED
CONTROL SERVO
IGNITION SWITCH (ST)
FUEL
PRESSURE
SOLENOID
VALVE
WASTE GATE
SOLENOID
VALVE
SECONDARY
AIR CONTROL
SOLENOID
VALVE
STARTING
SYSTEM
AIR
CONDITIONER
COOLING
SYSTEM
IGNITION
SYSTEM
METER AND
GAUGE
ENGINE SPEED
DETECTION CONNECTOR
AIR
CONDITIONER
C-33

Table of Contents

Related product manuals