EasyManua.ls Logo

Mitsubishi LANCER EVOLUTION-V 1998

Mitsubishi LANCER EVOLUTION-V 1998
526 pages
To Next Page IconTo Next Page
To Next Page IconTo Next Page
To Previous Page IconTo Previous Page
To Previous Page IconTo Previous Page
Loading...
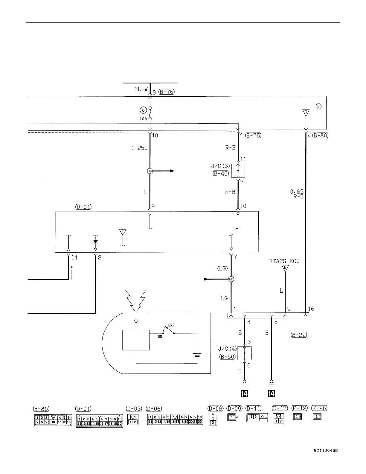
CIRCUIT DIAGRAM
Central Door Locking System
<Vehicles with Keyless Entry System>
IGNITION SWITCH (ACC)
MULTI-PURPOSE
FUSE
RECEIVER
RADIO
RECEIVING
ANTENNA
ANTI-LOCK BRAKE
SYSTEM
ENGINE CONTROL
SYSTEM
FULLY AUTOMATIC
AIR CONDITIONER
CONTROL
CIRCUIT
TRANSMITTER
DIAGNOSIS
CONNECTOR
C-47

Table of Contents

Related product manuals