EasyManua.ls Logo

Mitsubishi LANCER EVOLUTION-V 1998 - Page 154

Mitsubishi LANCER EVOLUTION-V 1998
526 pages
Print Icon
To Next Page IconTo Next Page
To Next Page IconTo Next Page
To Previous Page IconTo Previous Page
To Previous Page IconTo Previous Page
Loading...
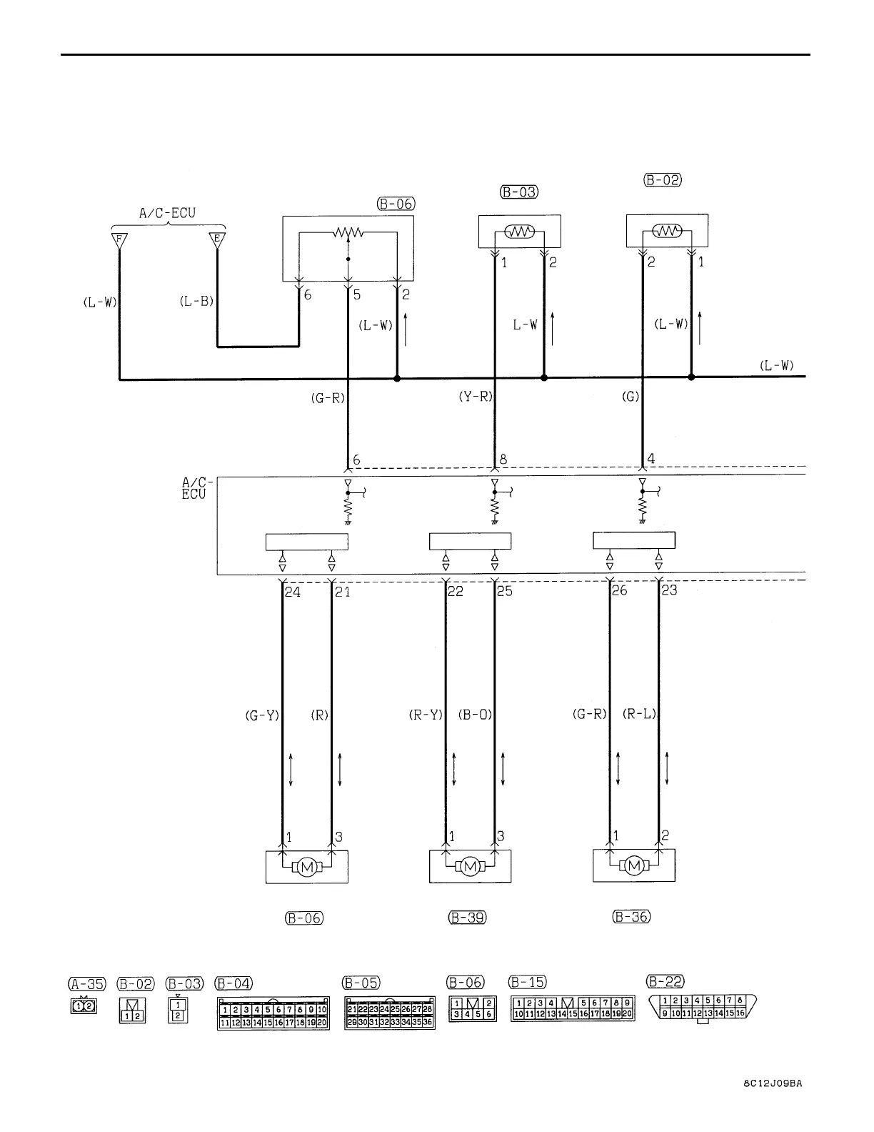
CIRCUIT DIAGRAM Fully Automatic Air Conditioner
AIR OUTLET CHANGEOVER
POTENTIOMETER
AIR THERMO SENSOR
HEATER WATER
TEMPERATURE SENSOR
DEDICATED IC
AIR OUTLET CHANGEOVER
DAMPER MOTOR
AIR MIX DAMPER
MOTOR
INSIDE AND OUTSIDE AIR
CHANGEOVER DAMPER MOTOR
DEDICATED IC
DEDICATED IC
FRONT VIEW
C-56
FULLY AUTOMATIC AIR CONDITIONER (CONTINUED)

Table of Contents

Related product manuals