EasyManua.ls Logo

Mitsubishi LANCER EVOLUTION-V 1998

Mitsubishi LANCER EVOLUTION-V 1998
526 pages
To Next Page IconTo Next Page
To Next Page IconTo Next Page
To Previous Page IconTo Previous Page
To Previous Page IconTo Previous Page
Loading...
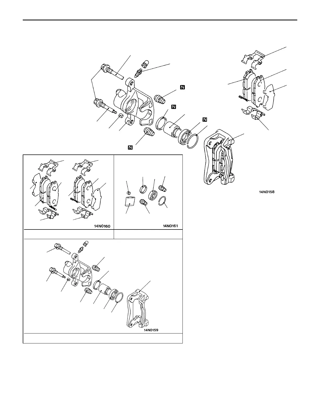
BASIC BRAKE SYSTEM Rear Brake
35A-9
DISASSEMBLY AND REASSEMBLY
<EVOLUTION-IV>
1
2
3
4
5
6
7
8
9
10
11
12
13
14
Unit: Nm {kgf@m}
43 {4.4}
Pad kit
Grease
Seal & boot kit
Brake caliper kit
14
7.8 {0.8}
5
14 14
12
12
14
14
11
11
13
13
3
9
7
5
5
6
2
1
3
5
8
7
6
4
5
9
Disassembly steps
"AA 1. Lock pin
"AA 2. Guide pin
3. Bushing
4. Caliper support (pad, clip, shim)
5. Pin boot
6. Boot ring
AA" 7. Piston boot
AA" 8. Piston
AB" 9. Piston seal
10. Caliper body
11. Pad & wear indicator assembly
12. Pad assembly
13. Outer shim
14. Clip

Table of Contents

Related product manuals