EasyManua.ls Logo

Mitsubishi LANCER EVOLUTION-V 1998 - Page 47

Mitsubishi LANCER EVOLUTION-V 1998
526 pages
Print Icon
To Next Page IconTo Next Page
To Next Page IconTo Next Page
To Previous Page IconTo Previous Page
To Previous Page IconTo Previous Page
Loading...
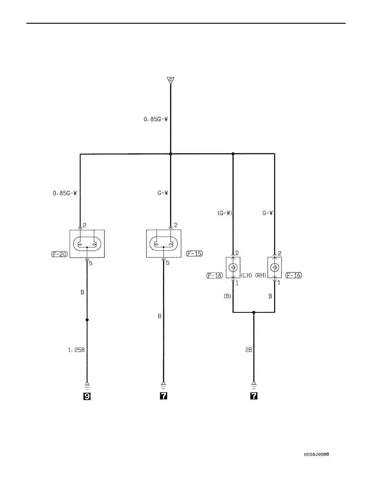
COLUMN SWITCH
(TAIL LAMP: LH)
REAR
COMBINATION
LAMP
(TAIL LAMP: RH)
LICENSE
PLATE
LAMP
CIRCUIT DIAGRAM
Tail Lamp, Position Lamp, License Plate Lamp
and Lighting Monitor Alarm Buzzer
B-43

Table of Contents

Related product manuals