EasyManua.ls Logo

Mitsubishi LANCER EVOLUTION-V 1998 - Page 52

Mitsubishi LANCER EVOLUTION-V 1998
526 pages
Print Icon
To Next Page IconTo Next Page
To Next Page IconTo Next Page
To Previous Page IconTo Previous Page
To Previous Page IconTo Previous Page
Loading...
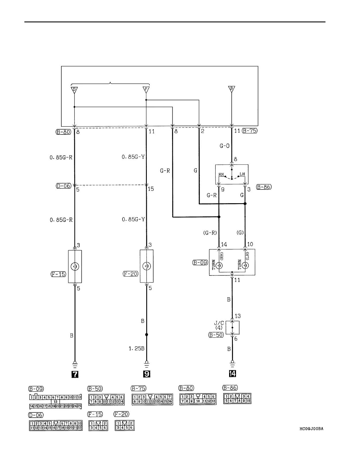
CIRCUIT DIAGRAM Turn-signal Lamp and Hazard Lamp
HAZARD SWITCH
TURN SIGNAL
AND HAZARD
FLASHER UNIT
REAR
COMBINATION
LAMP
(TURN: RH)
REAR
COMBINATION
LAMP
(TURN: LH)
COLUMN SWITCH
(TURN SIGNAL
LAMP SWITCH)
COMBINATION
METER
B-48
TURN-SIGNAL LAMP AND HAZARD LAMP (CONTINUED)

Table of Contents

Related product manuals