EasyManua.ls Logo

Mitsubishi LANCER EVOLUTION-V 1998 - Page 81

Mitsubishi LANCER EVOLUTION-V 1998
526 pages
Print Icon
To Next Page IconTo Next Page
To Next Page IconTo Next Page
To Previous Page IconTo Previous Page
To Previous Page IconTo Previous Page
Loading...
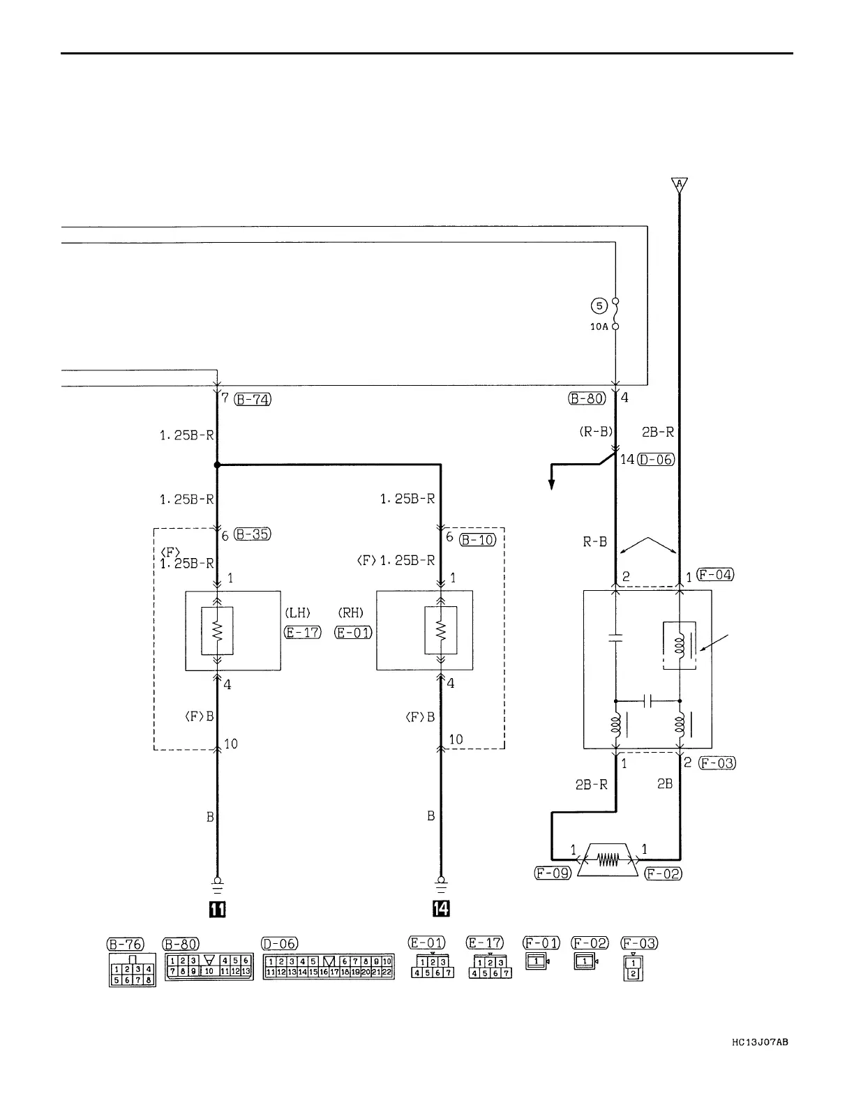
CIRCUIT DIAGRAM
Defogger and Door Mirror Heater
<Vehicles with Fully Automatic Air Conditioner>
PRINTED
HEATER
WIRE
DOOR
MIRROR
PRINTED
HEATER
WIRE
DEFOGGER
RELAY
ROOM LAMP AND LUGGAGE
COMPARTMENT LAMP
VEHICLES
WITH GLASS
ANTENNA
CHOKE
COIL
VEHICLES
WITH
DIVERSITY
ANTENNA
DEFOGGER
B-77

Table of Contents

Related product manuals