EasyManua.ls Logo

Mitsubishi LANCER EVOLUTION-V 1998 - Page 93

Mitsubishi LANCER EVOLUTION-V 1998
526 pages
Print Icon
To Next Page IconTo Next Page
To Next Page IconTo Next Page
To Previous Page IconTo Previous Page
To Previous Page IconTo Previous Page
Loading...
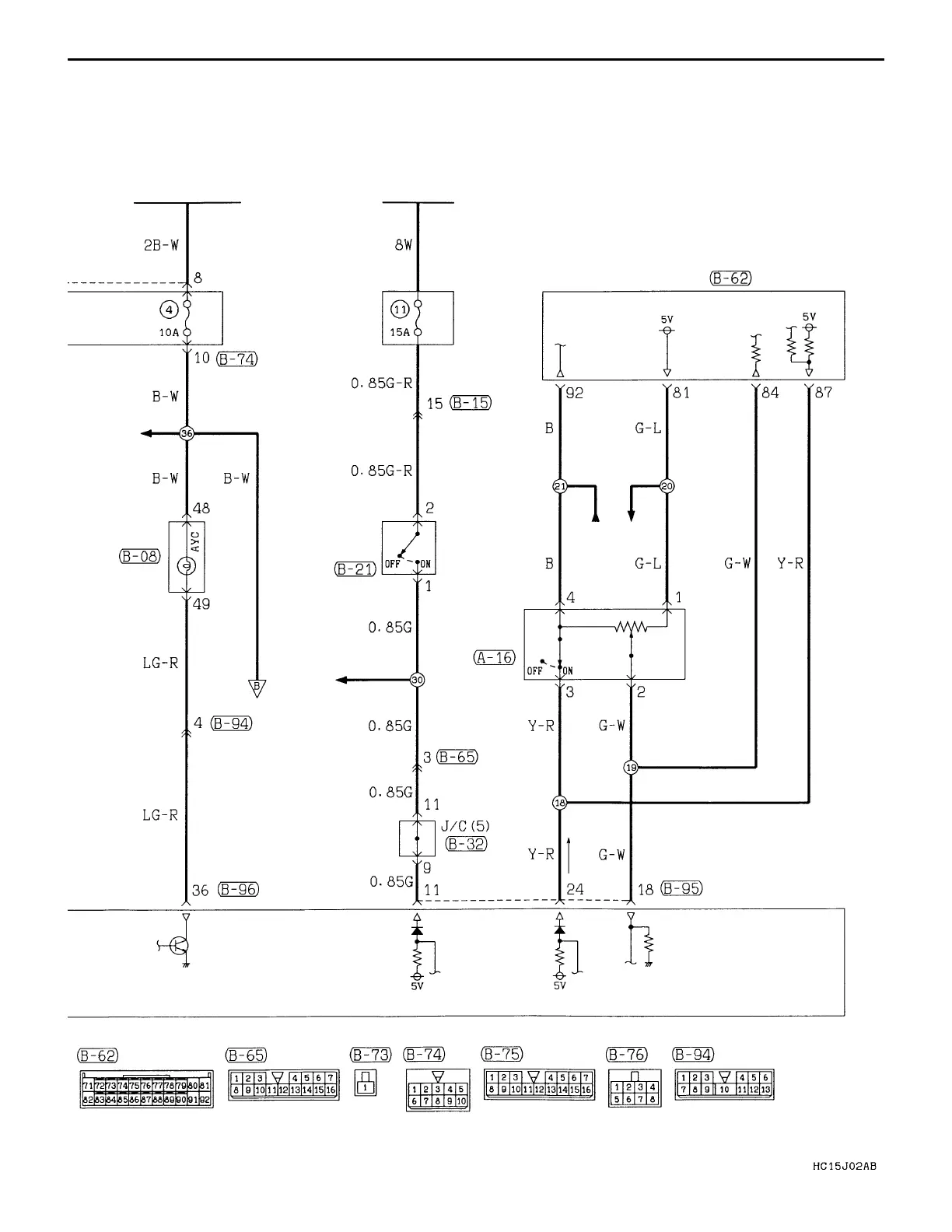
CIRCUIT DIAGRAM Active Yaw Control System (AYC)
IGNITION
SWITCH (IG1)
BATTERY
SUNROOF
SEAT BELT
WARNING
LAMP
METER AND
GAUGE
FOOT LAMP
RADIO
COMBINATION
METER
DEDICATED
FUSE
STOP
LAMP
SWITCH
STOP
LAMP
ENGINE-ECU
ENGINE
CONTROL
SYSTEM
THROTTLE
POSITION
SENSOR
B-89

Table of Contents

Related product manuals