EasyManua.ls Logo

Moons' MBDV Series - Page 54

Moons' MBDV Series
181 pages
Print Icon
To Next Page IconTo Next Page
To Next Page IconTo Next Page
To Previous Page IconTo Previous Page
To Previous Page IconTo Previous Page
Loading...
54
Rev. 2.0
07/27/2023
MBDV Hardware Manual
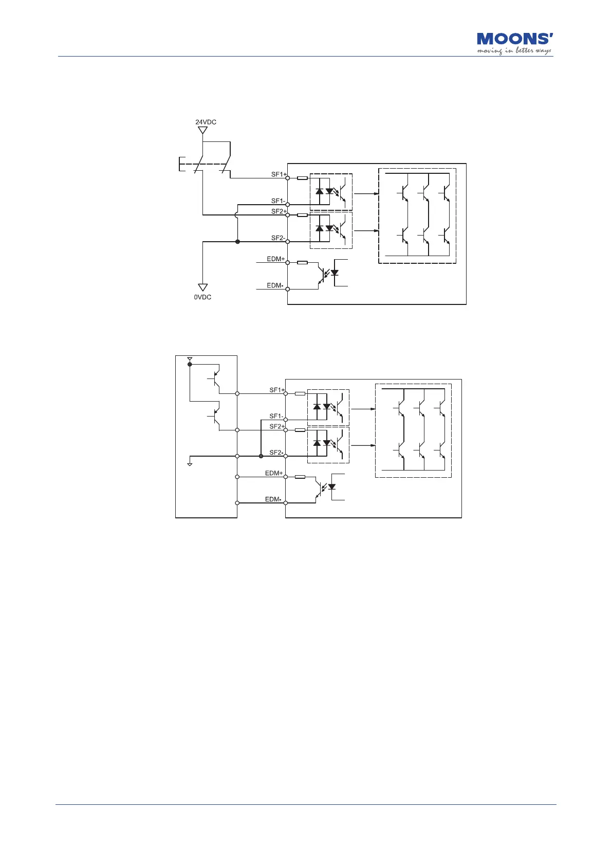
4.11.2.4 STO connection example
Connection with safety switch
Safety Switch
Safety Switch 1
Safety Switch 2
Safety Output
Servo Drive
Connection with safety light curtains
24VDC
0VDC
Safety Switch 1
Safety Switch 2
Safety Output
Servo Drive

Table of Contents

Related product manuals