EasyManua.ls Logo

Omron eCobra 600 - Page 89

Omron eCobra 600
194 pages
Print Icon
To Next Page IconTo Next Page
To Next Page IconTo Next Page
To Previous Page IconTo Previous Page
To Previous Page IconTo Previous Page
Loading...
Chapter 5: System Operation
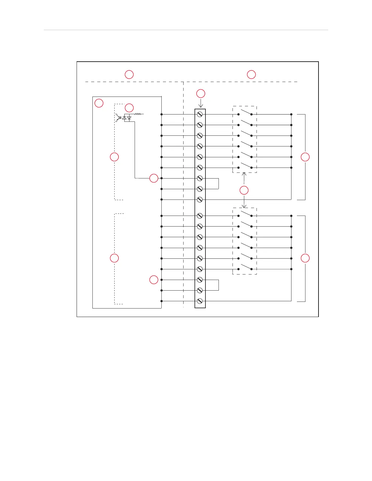
Typical Input Wiring Example
1097
4
1098
5
1099
6
1100
7
1101
8
1102
+24V
GND
9
3
2
1
1103
13
1104
14
1105
15
1106
16
1107
17
1108
18
12
GND
10
+24V
11
1
2
10
9
8
7
6
5
4
3
12
11
Figure 5-5. Typical User Wiring for XIO Input Signals
NOTE: All input signals can be used for either sinking or sourcing con-
figurations.
14402-000 Rev. F eCobra User's Guide 89

Table of Contents

Related product manuals