EasyManua.ls Logo

Oxford Instruments OpAL - Pneumatic Control Circuit for the Ozone Delivery System

Oxford Instruments OpAL
342 pages
Print Icon
To Next Page IconTo Next Page
To Next Page IconTo Next Page
To Previous Page IconTo Previous Page
To Previous Page IconTo Previous Page
Loading...
ALD Ozone Delivery System Oxford Instruments Plasma Technology
Equipment Manual
DESCRIPTION
Printed: 14-Jul-10, 7:09
Page 3-5 of 6 Issue 01: July 10
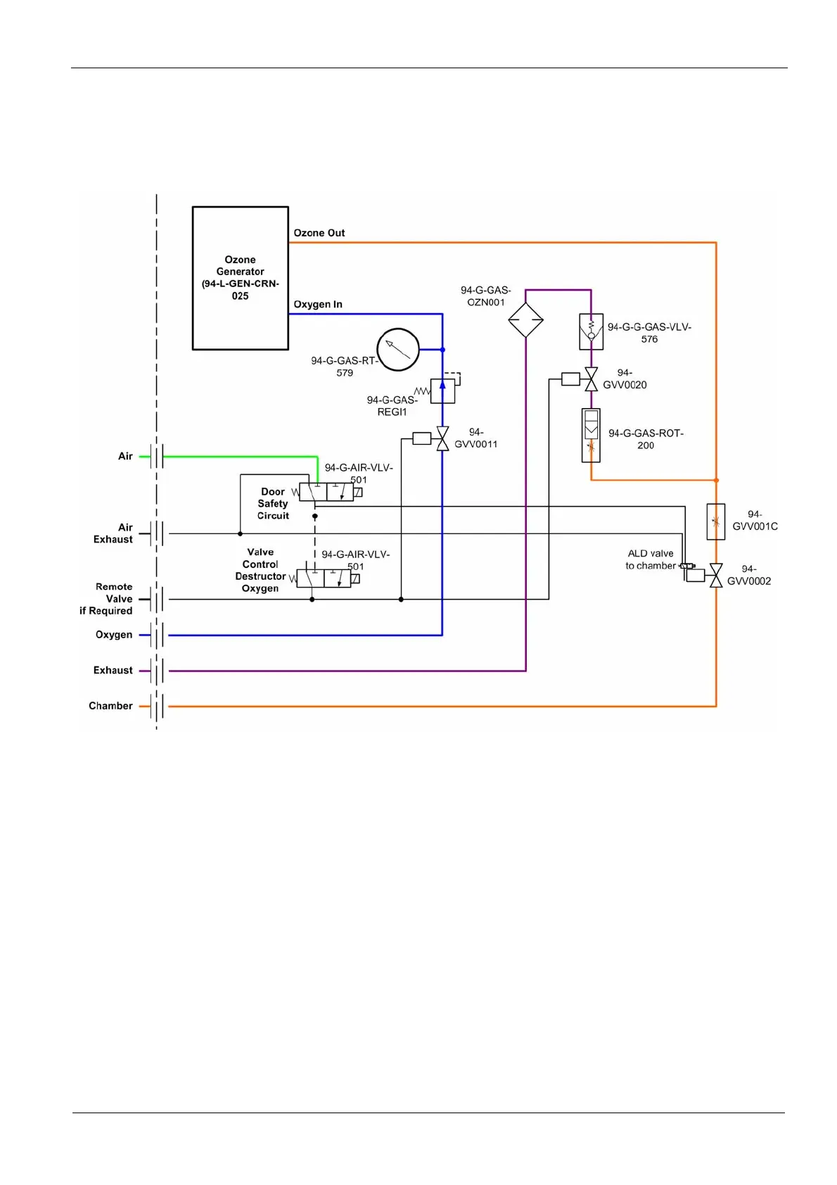
3.5 Pneumatic control circuit for the ozone delivery system
Figure 3-3 shows the pneumatic control circuit.
Figure 3-3: Pneumatic control circuit

Table of Contents

Related product manuals