EasyManua.ls Logo

Oxford Instruments OpAL - Fig 2-1: G-SP71 B29663 Opal Services Flow Diagram; Fig 2-2: Hoist Pneumatic Circuit

Oxford Instruments OpAL
342 pages
Print Icon
To Next Page IconTo Next Page
To Next Page IconTo Next Page
To Previous Page IconTo Previous Page
To Previous Page IconTo Previous Page
Loading...
lé^i lñÑçêÇ=fåëíêìãÉåíë=mä~ëã~=qÉÅÜåçäçÖó== System Manual
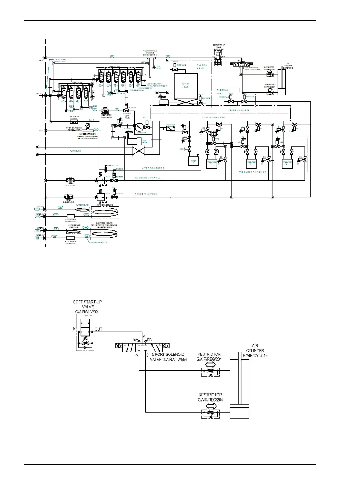
Fig 2-1: G-SP71B29663 OpAL Services flow diagram
Fig 2-2: Hoist pneumatic circuit
Services
Issue 1: August 07 Page 2-4 of 4 Printed: 5-Oct-07, 9:30

Table of Contents

Related product manuals