EasyManua.ls Logo

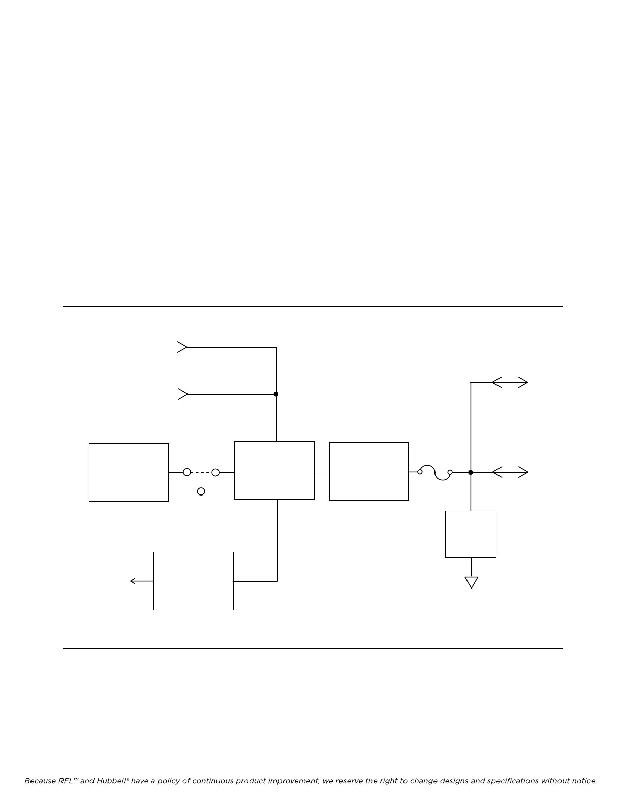
RFL 9785 - Figure 9-10. Block Diagram, RFL 9508 Line Board

Default Icon
325 pages
Print Icon
To Next Page IconTo Next Page
To Next Page IconTo Next Page
To Previous Page IconTo Previous Page
To Previous Page IconTo Previous Page
Loading...
Because RFL and Hubbell® have a policy of continuous product improvement, we reserve the right to change designs and specications without notice.
9.2.5.3.4 DUMMY LOAD
An external Dummy Load and Attenuator Board are provided as described in Paragraph 9.2.7. To
observe the signal going to the line coupling equipment use test points TP1 and TP2.
9.2.5.3.5 IMPEDANCE MATCHING TRANSFORMERS
Impedance matching transformers T1 and T2 match the impedance of the Line Board to that of the
line. Jumper J10 selects one of T1’s four impedance settings: 50, 75, 100, or 130 ohms. Fuse F1
provides current protection, and surge arrestor E2 protects the equipment against an overvoltage
condition. Jumper J20 selects one of T2’s four impedance settings: 50, 75, 100, or 130 ohms. Fuse F2
provides current protection, and surge arrestor E1 protects the equipment against an overvoltage
condition. In 2 wire applications, the signal going to or coming from the line coupling equipment can
be monitored at test point TP2. In 4 wire applications, the signal going to the line coupling equipment
can be monitored at test point TP2, and the signal coming from the line coupling equipment can be
monitored at test point TP3.
RF From/To
Line Coupling
Equipment
Transmit Input 1
From Power Amp 1
Transmit Input 2
From Power Amp 2
(when used)
Complex
Balance
Network
Hybrid
Transformers
Impedance
Matching
Transformers
Receive
Attenuator
Surge
Arrestors
IN J11
OUT
Receive
Output
To
Rx
Filter
Figure 9-10. Block diagram, RFL 9508 Line Board
RFL 9785 RFL E
lectronics Inc.
May 16, 2011 9-13 (973) 334-3100

Table of Contents

Other manuals for RFL 9785

Related product manuals