EasyManua.ls Logo

RFL 9785 - Figure 15-3. Block Diagram, RFL 9785 Voice Module

Default Icon
325 pages
Print Icon
To Next Page IconTo Next Page
To Next Page IconTo Next Page
To Previous Page IconTo Previous Page
To Previous Page IconTo Previous Page
Loading...
Because RFL and Hubbell® have a policy of continuous product improvement, we reserve the right to change designs and specications without notice.
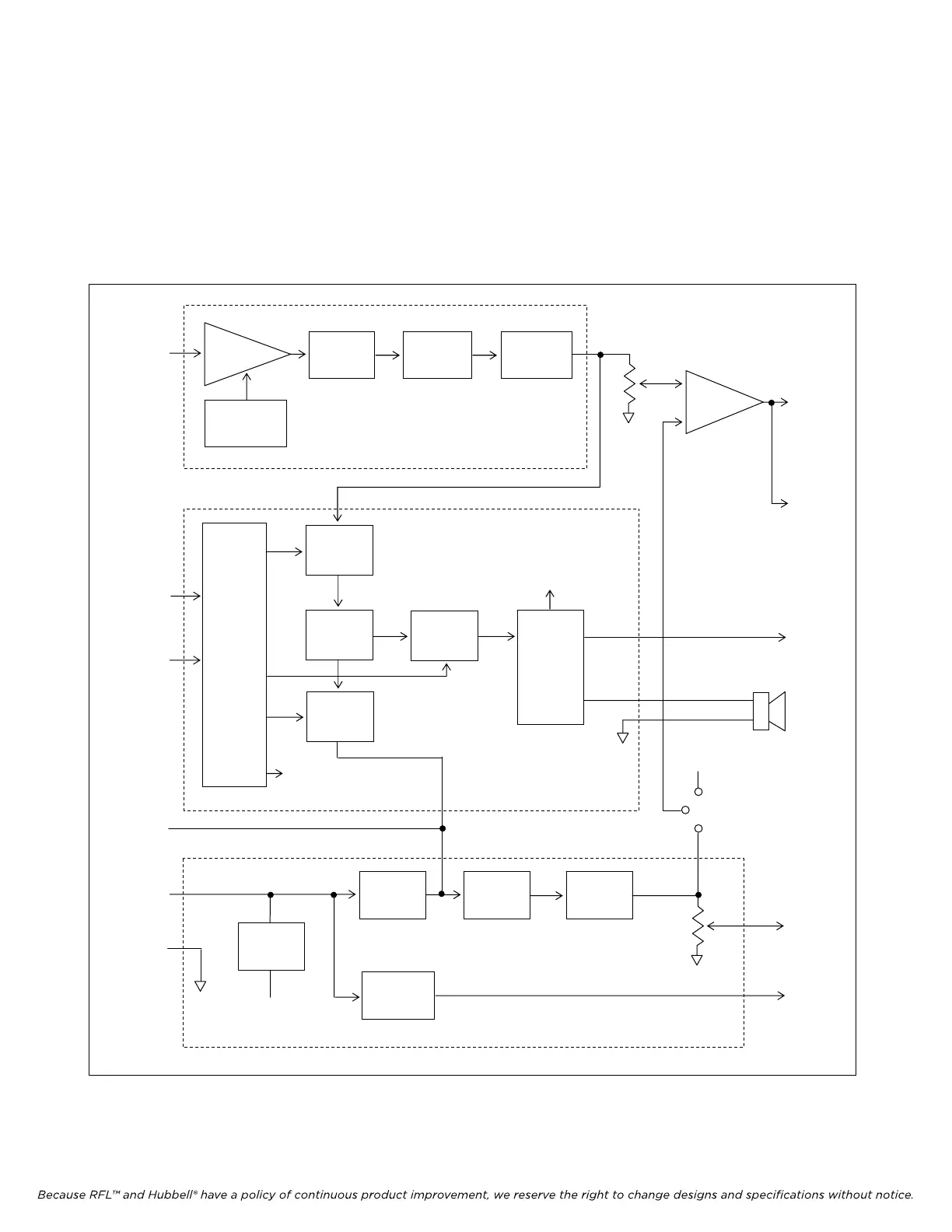
After limiting, the speech signal passes through operational amplifier U5D, which is connected as a
low-pass filter with a 4-kHz cutoff frequency. Potentiometer R63 controls the amount of voice signal
sent to the transmitter module (Section 7). This determines the percent modulation applied to the
carrier.
Call tones from the call tone generator/detector section (para. 15.3.3) enter the speech signal path at
the input of U5C, and then follow the same path as voice signals.
Fi
gure 15-3. Block diagram, RFL 9785 Voice Module
AGC
AMPLIFIER
BUFFER
DETECTOR
LOW-PASS
FILTER
AGC
CONTROL
CIRCUITRY
RECEIVER SECTION (PARA. 14.3.2)
AUDIO
AMPLIFIER
CALL
BUTTON
LOGIC
ANALOG
SWITCH
CALL TONE
FILTER/
OSCILLATOR
RECTIFIER/
FILTER
COMPAR-
ATOR
ANALOG
SWITCH
CALL TONE CIRCUIT
(
PARA. 14.3.3
)
TRANSMITTER SECTION
(
PARA. 14.3.1
)
CONSTANT-
CURRENT
SOURCE
HIGH-
PASS
FILTER
HIGH-
A
CCURACY
CLIPPER
LOW-PASS
FILTER/
DRIVER
MICROPHONE
PRESENCE
DETECTOR
(C17)
AUX
AUDIO
OUTPUT
(A17)
EARPHONE
(A19)
CALL
DETECT
OUTPUT
SIGNAL
RECEIVED
AUDIBLE
INDICATOR
(A!5)
OUTPUT
TO TRANS-
MITTER
MODULE
(A16)
VOICE
ENABLE
TO AM
LOGIC
MODULE
250HZ 4000HZ
1800HZ
(A14)
INPUT
FROM
RECEIVER
DETECTOR
MODULE
(C19)
FROM
FRONT
PANEL
CALL
BUTTON
(A20)
(A21)
AUX
AUDIO
INPUT
(A25)
FROM
HANDSET
MICRO-
PHONE
(A24)
+
V
(DS1) “MOD ON” LED
(
DS2
)
“REC CALL” LED
2400HZ
AUDIO
LEVEL
% MOD
OUT
J3
SIDETONE
JUMPER IN
RFL 9785 RFL Electronics Inc.
April 25, 2005
15-3 (973) 334-3100

Table of Contents

Other manuals for RFL 9785

Related product manuals