EasyManua.ls Logo

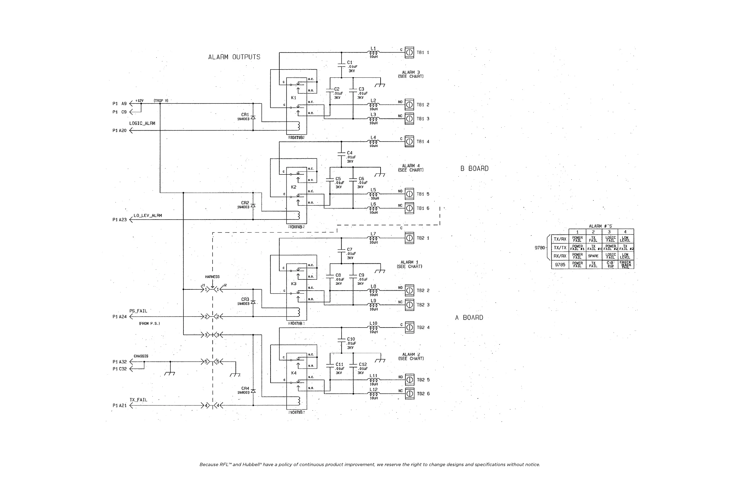
RFL 9785 - Figure 19-12. Schematic, RFL 9785 Alarm Relay I;O (Dwg. No. D-106469-C)

Default Icon
325 pages
Print Icon
To Next Page IconTo Next Page
To Next Page IconTo Next Page
To Previous Page IconTo Previous Page
To Previous Page IconTo Previous Page
Loading...
Because RFL and Hubbell® have a policy of continuous product improvement, we reserve the right to change designs and specications without notice.
9785 RFL Electronics Inc.
ember 1, 2006 19-25 (19-26 Bl
ank) (973) 334-3100
Figure 19-12. Schematic, RFL 9785 Alarm Relay I/O (Dwg. No. D-106469-C)
RFL
Sept

Table of Contents

Other manuals for RFL 9785

Related product manuals