EasyManua.ls Logo

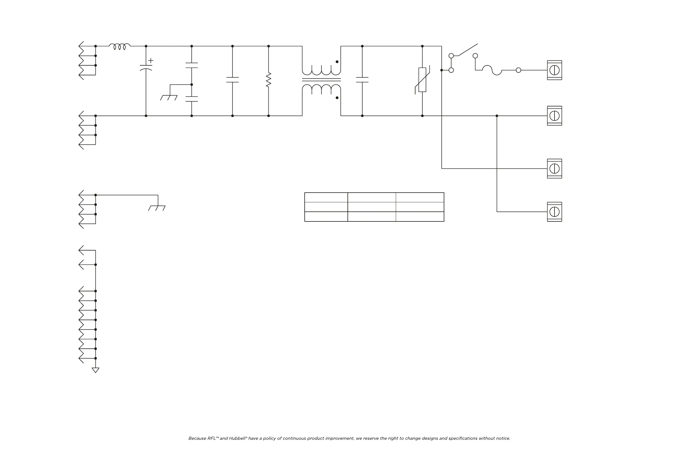
RFL 9785 - Figure 18-7. Schematic, RFL 9785 Power Supply I;O (Dwg. No. B-106459-B)

Default Icon
325 pages
Print Icon
To Next Page IconTo Next Page
To Next Page IconTo Next Page
To Previous Page IconTo Previous Page
To Previous Page IconTo Previous Page
Loading...
Because RFL and Hubbell® have a policy of continuous product improvement, we reserve the right to change designs and specications without notice.
9785 RFL Electronics Inc.
18-15 (18-16 Bl
ank) (973) 334-3100
1
A15
A2
C1
C24
A24
C23
A23
C2
A31
C31
A32
C32
C15
A16
C16
C12
A1
2
3
4
A3
C3
A4
C4
A14
1
23
4
TB1
C4
C3
R1C2 C1
VR1
TB1
TB1
TB1
C5
L2
L1
CHASSIS
3KV
.01uF
3KV
.01uF
1/2W
330K
275VAC
.22uF
275VAC
.22uF
SEE_TABLE
47uF
120uH
105426
V275LC40B
V130LC20B48/125 VDC
250 VDC106455-2
106455-1
VR1INP. VOLTASSY NO.
SW
+
+
_
_
PS2 PWR. INP.
PS2 PWR INP.
PS1 PWR. INP.
PS1 PWR INP.
F1
SW1
TO SW1 W1W2
Figure 18-7. Schematic, RFL 9785 Pow
er Supply I/O (Dwg. No. B-106459-B)
RFL
June 18, 2009

Table of Contents

Other manuals for RFL 9785

Related product manuals