EasyManua.ls Logo

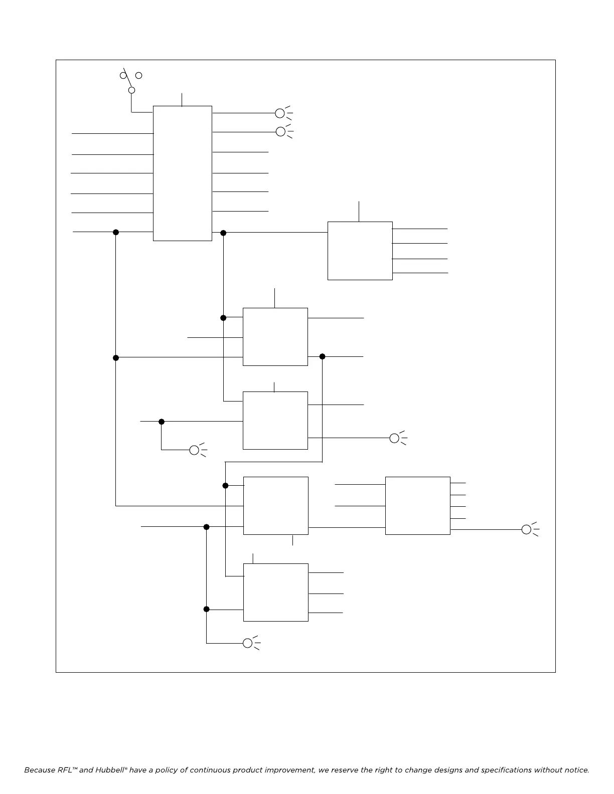
RFL 9785 - Figure 6-2. Block Diagram, am Logic Module

Default Icon
325 pages
Print Icon
To Next Page IconTo Next Page
To Next Page IconTo Next Page
To Previous Page IconTo Previous Page
To Previous Page IconTo Previous Page
Loading...
Because RFL and Hubbell® have a policy of continuous product improvement, we reserve the right to change designs and specications without notice.
RFL 9785 RFL Electronics Inc.
POWER
LEVEL AND
FREQUENCY
CONTROL
LOGIC
LOCAL
CARRIER AND
TRANSMIT
VOICE CONTROL
LOGIC
TRANSMITTER
FAIL
CIRCUIT
RECEIVE
VOICE
CONTROL
LOGIC
BLOCK
CONTROL
LOGIC
INPUT
KEYING
CONTROL
LOGIC
Figure 6-2. Block diagram, AM Logic Module
DIRECT KEY (C29)
5)
5)
ART (B21)
OP (C22)
SW1-1 & SW1-2
START (DS3)
STOP (DS4)
START-OUT (B26)
STOP-OUT (A26)
RESERVE-OUT (A15)
UTILITY (B27)
SEND
SW1-3 & SW1-4
OSC-12 (A13)
OSC-3 (B13)
A-SWITCH (A14)
B-SWITCH (B14)
SW1-5
SW1-6 & SW1-7
SW2-1
BLOCK-OUT-RLY1 (C20)
BLOCK-OUT-RLY2 (B22)
BLOCK-OUT-SS1 (A22)
BLOCK-OUT-SS2 C23)
BLOCK OUT (DS2)
VOICE-HIGH (C27)
VOICE-LOW (C25)
VOICE-MUTE (A27)
32 KHz
POWER-FAIL (A17)
CHECKBACK KEY (A2
RESERVE KEY (C14)
CHECKBACK-LEVEL (B2
ST
ST
SIG-COMP-IN (A29)
RX DETECT (DS1)
CARRIER DETECT (C13)
TX CARRIER (DS7)
TX FAIL (A21)
TX FAIL (DS8)
AM-ENABLE (B24)
CARRIER-SWITCH (C15)
VOICE REQUEST (A16)
TEST
SWITCH
BLOCK
OUTPUT
CIRCUIT
SW2-2
February 7, 2007 6-5 (973) 334-3100

Table of Contents

Other manuals for RFL 9785

Related product manuals