EasyManua.ls Logo

RFL 9785 - Page 159

Default Icon
325 pages
Print Icon
To Next Page IconTo Next Page
To Next Page IconTo Next Page
To Previous Page IconTo Previous Page
To Previous Page IconTo Previous Page
Loading...
Because RFL and Hubbell® have a policy of continuous product improvement, we reserve the right to change designs and specications without notice.
9785 RFL Electronics Inc.
11-11(11-12 Blank) (973) 334-3100
RFL
June 18, 2009
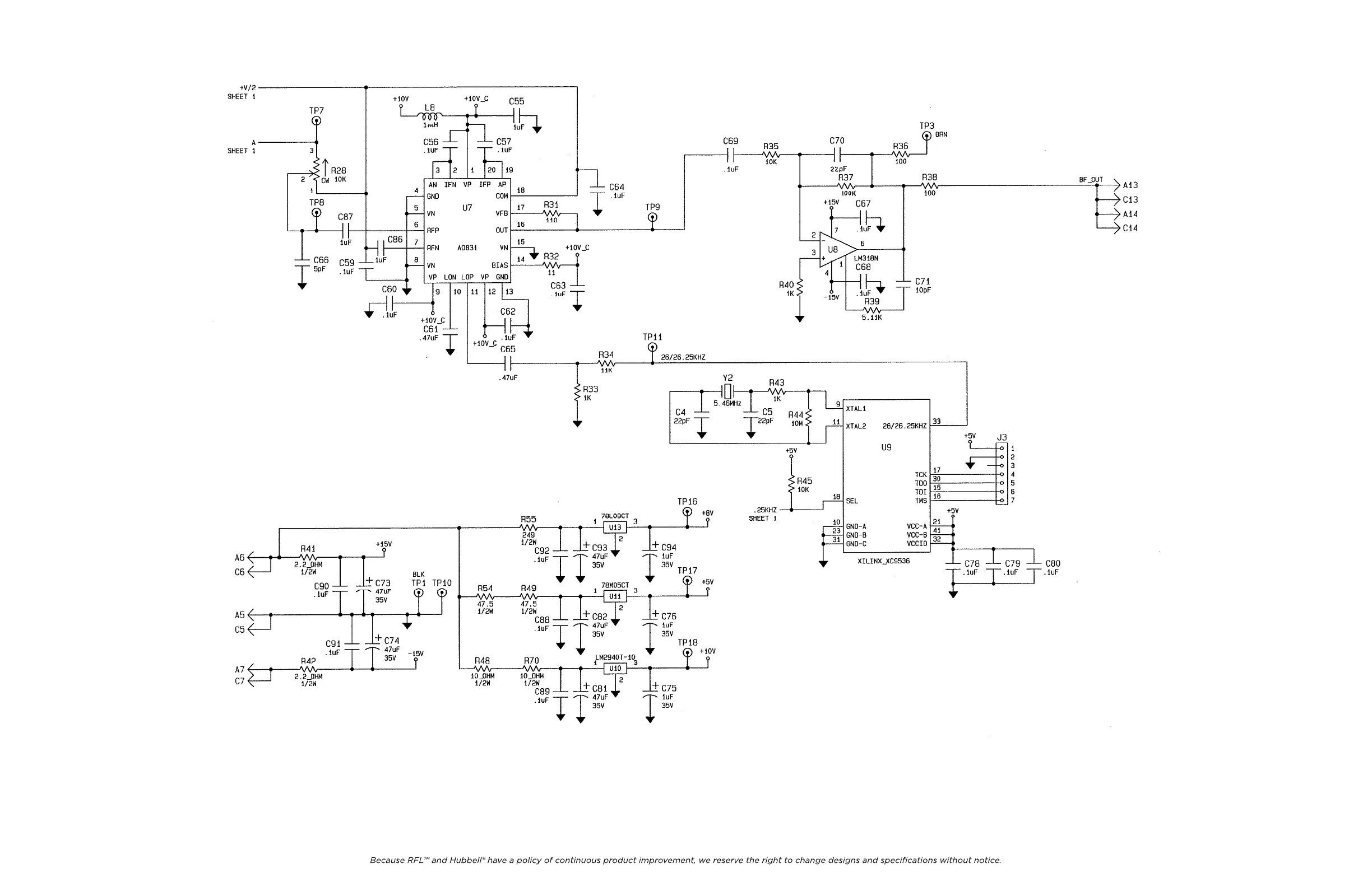
Figure 11-4. Schematic,
RFL 9785 RX Downshifter (Dwg. No. D-106579-E)
Sheet 2 of 2

Table of Contents

Other manuals for RFL 9785

Related product manuals