EasyManua.ls Logo

RFL 9785 - Page 98

Default Icon
325 pages
Print Icon
To Next Page IconTo Next Page
To Next Page IconTo Next Page
To Previous Page IconTo Previous Page
To Previous Page IconTo Previous Page
Loading...
Because RFL and Hubbell® have a policy of continuous product improvement, we reserve the right to change designs and specications without notice.
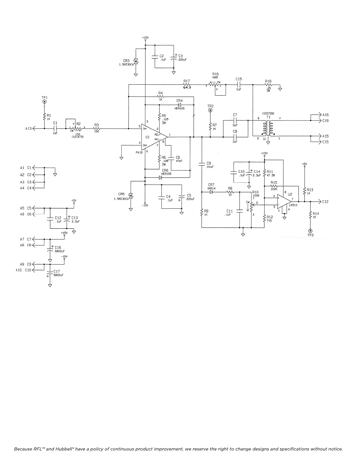
Figure 8-3. Schematic, RFL 9785 Power Amp (Dwg. No. C-106464-D)
RFL 9785 RFL Electronics Inc.
September 1, 2006 8-6 (973) 334-3100

Table of Contents

Other manuals for RFL 9785

Related product manuals