EasyManua.ls Logo

Schweitzer Engineering Laboratories SEL-701 - Page 186

Schweitzer Engineering Laboratories SEL-701
468 pages
Print Icon
To Next Page IconTo Next Page
To Next Page IconTo Next Page
To Previous Page IconTo Previous Page
To Previous Page IconTo Previous Page
Loading...
701 Motor Protection Relay
Date Code 20010719
Commissioning
Selected Functional Tests
7.10
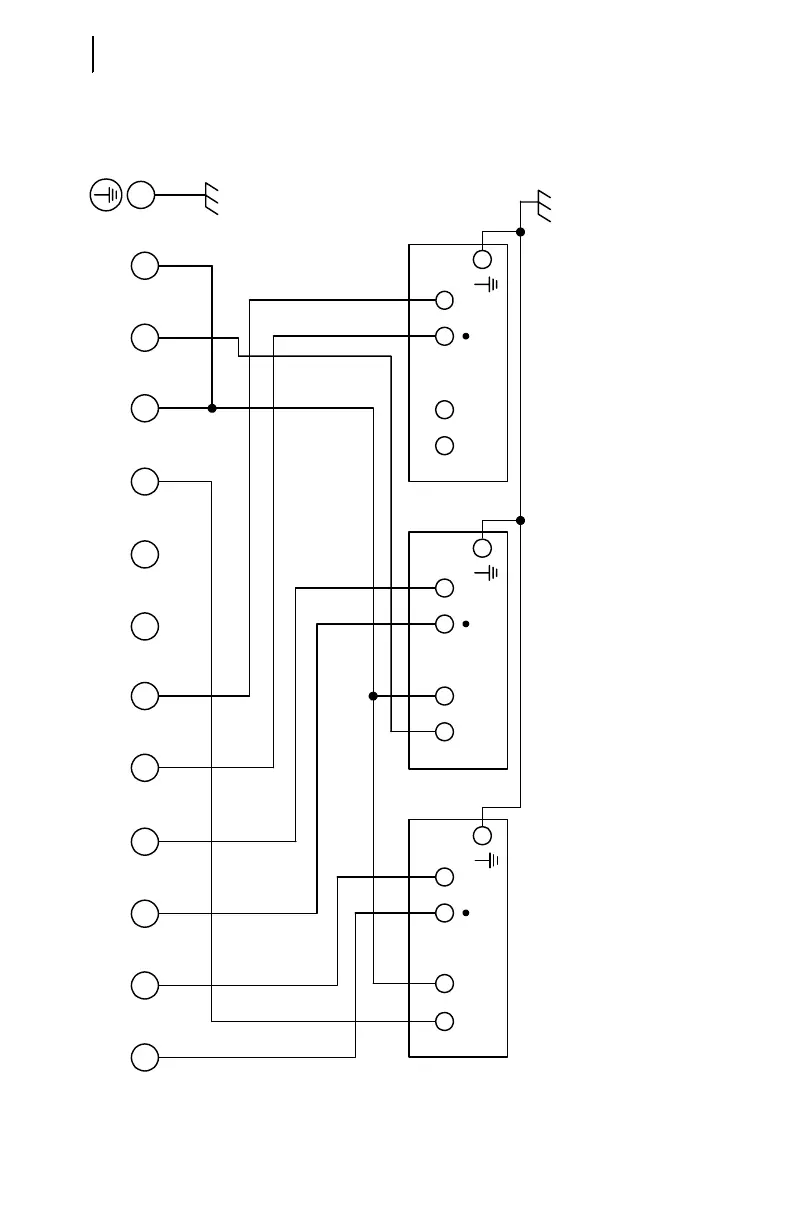
Figure 7.4 Two Voltage Source and Three Current Source Test Connections.
NOTE: Relays equipped with ac voltage inputs (Models 0701001X and 0701011X) must be properly grounded for accurate
voltage measurement.
+
VAB
IA
+
VCB IB
+
VIC
Two Voltage and Three Current Sources
E01
IA
E02 E04 E05 E07 E10 E11 D06 D07 D08 D09
IB IC IN VA VB VC N
Relay Phase Current (5A) and Voltage Inputs (DELTA_Y = D)
E08
D10

Table of Contents

Related product manuals