EasyManua.ls Logo

Schweitzer Engineering Laboratories SEL-701 - Figure 2.13 Optional Motor Start Wiring Using Factory Default Settings for Output Contact OUT3

Schweitzer Engineering Laboratories SEL-701
468 pages
Print Icon
To Next Page IconTo Next Page
To Next Page IconTo Next Page
To Previous Page IconTo Previous Page
To Previous Page IconTo Previous Page
Loading...
701 Motor Protection Relay Date Code 20010719
Installation
Relay Connections
2.16
The ALARM normally closed output contact is a fail-safe contact. This contact
opens while the relay is in service and closes when:
Input power is removed.
Three incorrect Access Level 2 passwords are entered.
Successful Access Level 2 admission is achieved.
The relay fails.
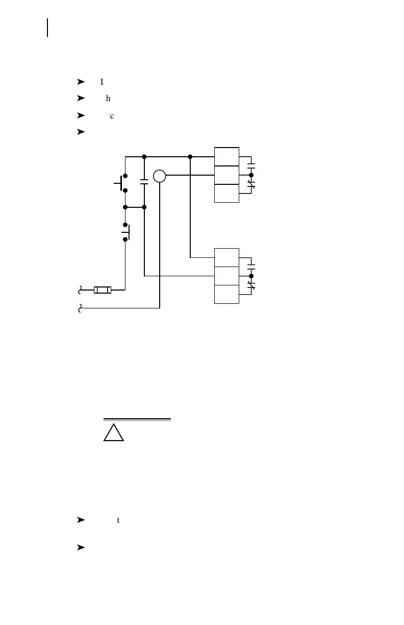
Figure 2.13 Optional Motor Start Wiring
Using Factory Default Settings for Output Contact OUT3.
Contact Inputs
The SEL-701 Relay is equipped with six internally wetted contact inputs. The
relay supplies 28 Vdc wetting voltage for each input so you only need to connect a dry
contact, switch, or jumper to the input.
!
CAUTION: Do not connect external voltages to the relay contact
inputs. Because the contact inputs are internally wetted,
permanent damage to the relay or external equipment may result
from connecting external voltage to a relay contact input.
The contact input functions are fully programmable using the relay settings
described in Appendix B: SELogic® Control Equations & Relay Logic. For many
applications, the factory default configuration shown in Figure 2.14 on page 2.17 and
described below will provide the desired performance.
Input IN1 is configured to monitor the motor breaker or contactor
52B contact, if available.
Input IN2 is configured for direct tripping. When the contact
connected to IN2 closes, the relay will trip to shut down the motor.
B04
B05
B06
B13
B14
B15
Trip
OUT3 = START
STOP
START
CR
120/240 Vac
50/60 Hz
Factory Programmed
to Start Motor

Table of Contents

Related product manuals