EasyManua.ls Logo

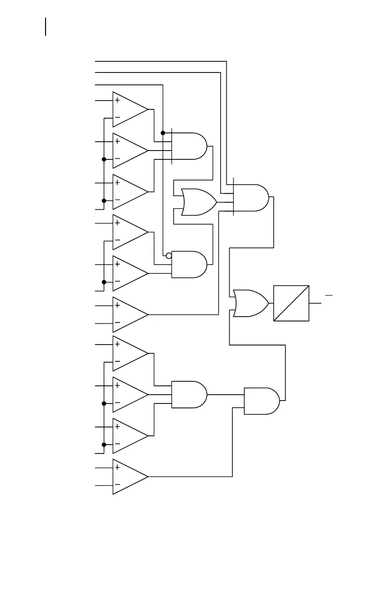
Schweitzer Engineering Laboratories SEL-701 - Figure B.12 Phase Reversal Element Logic

Schweitzer Engineering Laboratories SEL-701
468 pages
Print Icon
To Next Page IconTo Next Page
To Next Page IconTo Next Page
To Previous Page IconTo Previous Page
To Previous Page IconTo Previous Page
Loading...
701 Motor Protection Relay Date Code 20010719
SEL
OGIC
®
Control Equations & Relay Logic
Selected Relay Logic Diagrams
B.34
Figure B.12 Phase Reversal Element Logic.
0.5 |V2|
SINGLEV = N
Voltage Option = Y
DELTA _Y = Y
|VA|
|VB|
|VC|
35V
|VAB|
|VBC|
60V
|V1|
0.03 ITAP
0.5 |I2|
|I1|
|IA|
|IB|
|IC|
Relay
Word
Bit
47T
0.5
0

Table of Contents

Related product manuals