EasyManua.ls Logo

Schweitzer Engineering Laboratories SEL-701 - Page 59

Schweitzer Engineering Laboratories SEL-701
468 pages
Print Icon
To Next Page IconTo Next Page
To Next Page IconTo Next Page
To Previous Page IconTo Previous Page
To Previous Page IconTo Previous Page
Loading...
Date Code 20010719
701 Motor Protection Relay
Installation
Relay Connections
2.23
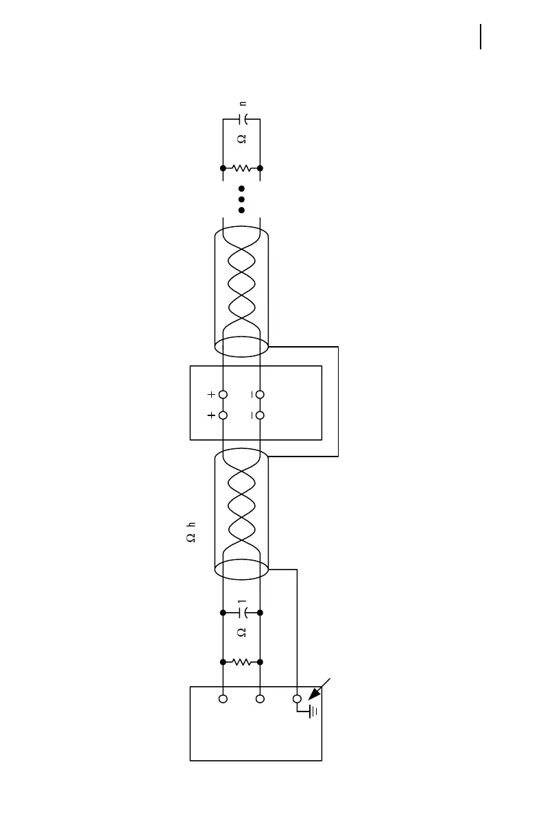
Figure 2.17 Rear-Panel EIA-485 Serial Port Connections.
120
1nF
SEL-701 Relay
Modbus
RTU
Master
+
C10 C12
C11
TX
C13
RX
Other
Devices
120
1nF
120
Characteristic
Twisted, Shielded Pair
Connect Shield to
Ground at One Point Only

Table of Contents

Related product manuals