EasyManua.ls Logo

Siemens Hipath 5000 - Page 364

Siemens Hipath 5000
1302 pages
Print Icon
To Next Page IconTo Next Page
To Next Page IconTo Next Page
To Previous Page IconTo Previous Page
To Previous Page IconTo Previous Page
Loading...
Boards for HiPath 3000 Nur für den internen Gebrauch
A31003-H3590-S100-7-7620, 06/2012
3-232 HiPath 3000/5000 V9, Service documentation
boards.fm
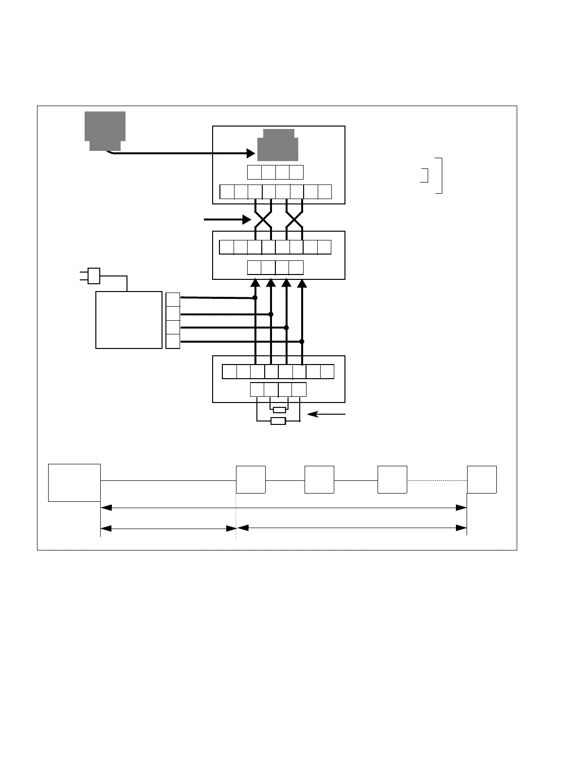
Peripheral boards
Figure 3-74 Wiring and Ranges for S
0
Bus Jacks
The connecting cord of the
ISDN telephone must not be
longer than 10 m.
To switch from external to inter-
nal S
0
operation, you must first
cross the SR and SX wires be-
fore the first jack.
UAE
Connec-
Additional
power sup-
ply
230 V~
Mini-Western
through-jack
(MW8 = 8-pin)
SR.1 Receive 5
SX.1 Transmit 3
SX.2 Transmit 6
SR.2 Receive 4
1st Mini-Western jack
(MW8 = 8-pin)
2nd to 8th Mini-Western jack
(MW8 = 8-pin)
100 /0.25 W
Terminating resistor in last jack
System
S
0
1 to S
0
4
*
Tw ist ed
pair
8
1
765432
SX
SX SR
SR
* = Not crossed in TA-S
0
8
1
765432
8
1
765432
6
4
5
3
Maximum ranges:
System 3
12
8
Short bus: 150 m (492 ft.)
Long bus: 150 m (492 ft.)
20m

Table of Contents

Other manuals for Siemens Hipath 5000

Related product manuals