EasyManua.ls Logo

Siemens SIPROTEC 4 7UT6 Series - Page 245

Siemens SIPROTEC 4 7UT6 Series
684 pages
To Next Page IconTo Next Page
To Next Page IconTo Next Page
To Previous Page IconTo Previous Page
To Previous Page IconTo Previous Page
Loading...
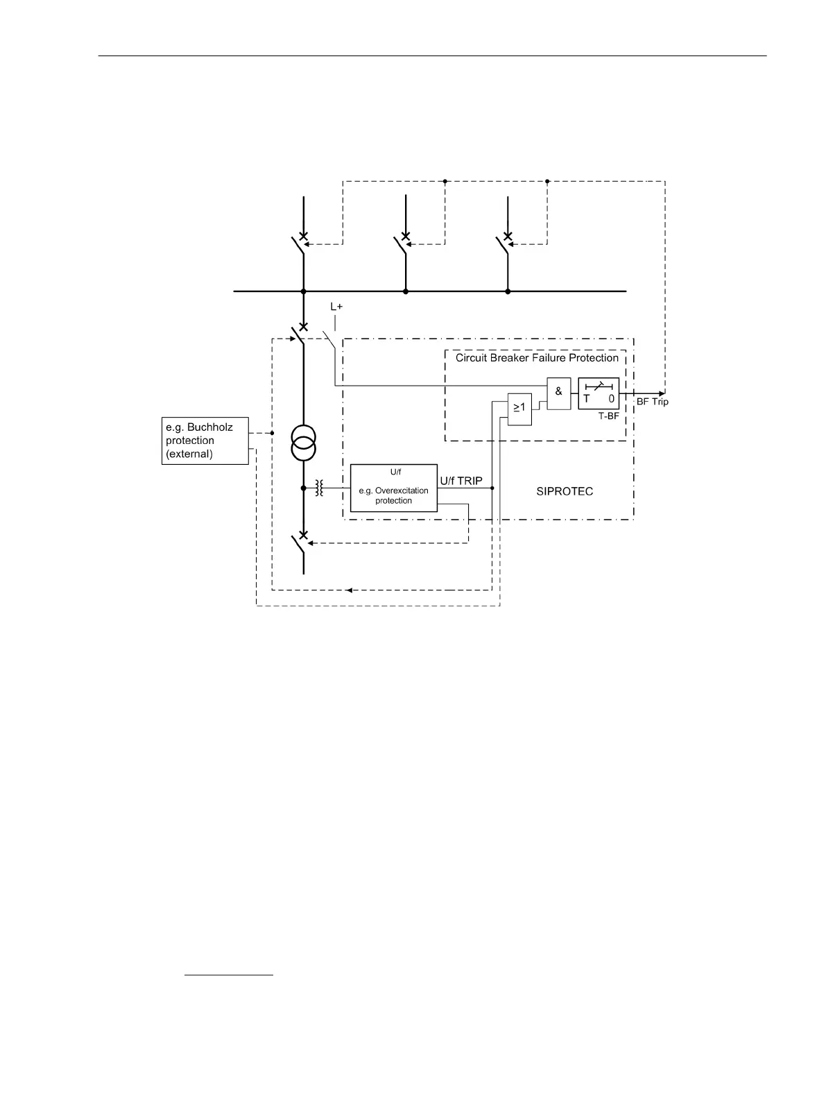
For protection relays where the tripping criterion is not dependent on current (e.g. overexcitation protection
or Buchholz protection), the current flow is not a reliable criterion to determine the correct response of the
circuit breaker. In such cases, the circuit breaker position can be derived from the auxiliary contacts of the
breaker or from the feed-back information of the integrated control function. Therefore, instead of monitoring
the current, the condition of the circuit breaker auxiliary contacts are monitored. (Figure 2-110).
[lsversagerschutz-funktionsschema-020926-st, 1, en_GB]
Figure 2-110
Simplified function diagram of circuit breaker failure protection with current flow monitoring
In 7UT6x both criteria, i.e. current flow and breaker position indication, are evaluated. If only one of the
criteria is intended to be considered, this can be achieved by corresponding configuration (Sections
2.1.4 Power System Data 1).
Make sure that the side or measuring location of the current and the monitored circuit breaker belong
together! Both must be located at the supply side of the protected object. In the simplified function diagram
(Figure 2-109) the current is measured at the busbar side of the transformer (= supply side), therefore the
circuit breaker at the busbar side is supervised. The adjacent circuit breakers are those of the busbar illus-
trated.
With generators the breaker failure protection usually affects the network breaker. In cases other than that,
the supply side must be the relevant one.
Initiation
The breaker failure protection can be initiated by internal protective functions of the 7UT6x, i.e. trip
commands of protective functions or via CFC (internal logic functions), or by external trip signals via a binary
input. Both sources are processed in the same way but separately annunciated.
The breaker failure protection checks now the continuation of current flow through the breaker to be moni-
tored. Additionally, the breaker position (read from the feedback of the auxiliary contacts) is checked provided
associated feedback information is available.
The
current criterion is met if at least one of the three phase currents exceeds a settable threshold, e.g. Pole-
OpenCurr.S1 if the breaker failure protection is assigned (see also Section 2.1.4.4 Circuit Breaker Data under
margin heading “Circuit Breaker Status”). Special features detect the instant of current interruption. In case of
Functions
2.17 Circuit Breaker Failure Protection
SIPROTEC 4, 7UT6x, Manual 245
C53000-G1176-C230-5, Edition 09.2016

Table of Contents

Related product manuals