EasyManua.ls Logo

Subaru Forester 2004 - Page 150

Subaru Forester 2004
622 pages
Print Icon
To Next Page IconTo Next Page
To Next Page IconTo Next Page
To Previous Page IconTo Previous Page
To Previous Page IconTo Previous Page
Loading...
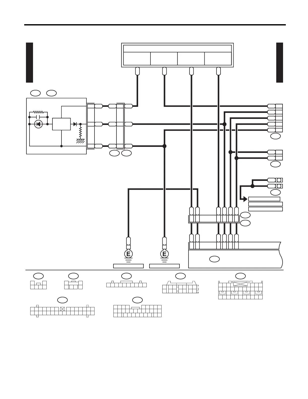
AB-24
AIRBAG SYSTEM (DIAGNOSTIC)
Airbag Control Module I/O Signal
2. RHD MODEL
A/B(R)-01
A/B(R)-01
WI-03206
7
6
2
3
8
GW
GYGY
R
GRGR
R
GR
L
W
Y
W
Lg
RB
R
10
BB 20
6
5
1
4
3
6
BBW 227
5
3
19
2
IG
IGNITION RELAY
(IG)
FB-36
F/B FUSE No. 14
(IG)
FB-20
F/B FUSE No. 11
(IG)
FB-21
F/B FUSE No. 6
(IG)
L
GR
GW
W
B
GYGY 16
GY
GR
B
B9
C8
B10
1
2
L
W
BL
BL
REF. TO GND(R)-04
REF. TO E/G(RNA)-05
REF. TO E/G(RTB20)-05
REF. TO E/G(RTB25)-05
CHECK
CONNECTOR
DIAGNOSIS
CONNECTOR
DIAGNOSIS
TERMINAL
B31
AB1
(GRAY)
B79
AIRBAG CONTROL MODULE
AB3
B81
B82
B79
B38i3
TO POWER SUPPLY ROUTING
1 2 3 4 5 6 7
8 9
10 11 12 13 14
GY
(BLACK)
B82
B
REF. TO GND(R)-05
B
i3
B31
(GREEN)
i11
C:
B:
(GREEN)
i10
AIRBAG
CIRCUIT
AIRBAG WARNING
LED LIGHT
COMBINATION
METER
B: C:
i11
i10
12
3456
1
3456
2
123456789
10
1 2 3 4 5 6 7 8 9
10 11 12 13 14
15 16 17 18 19 20 21 22 23 24 25 26 27 28 29 30
(YELLOW)
AB3
1 2 3 4 5 6
7 8 9
10 11 12 13 14 15 16 17
18 19 20 21 22 23 24 25 26 27 28
(YELLOW)
21
9
32
1234
56
10 11 12 13 14 15
7
16
23 30
19 20
22 26 27 28 29
8
17
24 31
18
25

Table of Contents

Related product manuals