EasyManua.ls Logo

Subaru Forester 2004 - Airbag Control Module I;O Signal

Subaru Forester 2004
622 pages
Print Icon
To Next Page IconTo Next Page
To Next Page IconTo Next Page
To Previous Page IconTo Previous Page
To Previous Page IconTo Previous Page
Loading...
AB-21
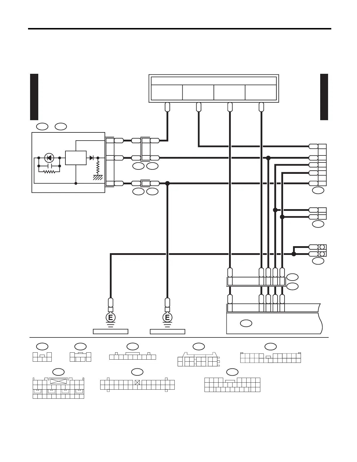
AIRBAG SYSTEM (DIAGNOSTIC)
Airbag Control Module I/O Signal
5. Airbag Control Module I/O Signal
A: WIRING DIAGRAM
1. LHD MODEL
B31
(BLACK)
(GREEN)
(GREEN)
(YELLOW)
(YELLOW)
B82
WI-03204
7
6
2
3
8
GW
GR
GY
GY
R
GRGB
GR
L
W
GY
R
GR
L
W
19
B
B
28
1
R
2
3
5
4
6
5
3
19
2
AIRBAG
CIRCUIT
AIRBAG
WARNING LED
IG
IGNITION RELAY
(IG)
FB-33
F/B FUSE No. 14
(IG)
FB-20
F/B FUSE No. 11
(IG)
FB-21
F/B FUSE No. 6
(IG)
L
GR
GW
W
B
GRGR
5GR
GB
B9
C8
B
B10
1
2
L
W
REF. TO GND(L)-04
CHECK
CONNECTOR
DIAGNOSIS
CONNECTOR
DIAGNOSIS
TERMINAL
B31
AB1
AIRBAG CONTROL MODULE
AB3
B81
B82
B79
B38i3
B37i2
TO POWER SUPPLY ROUTING
(GRAY)
B79
1 2 3 4 5 6 7
8 9
10 11 12 13 14
B
B
12
3456
B37
AB3
COMBINATION
METER
B: C:
i11
i10
i11
i10B:
C:
A/B(L)-01
A/B(L)-01
123456789
10
1 2 3 4 5 6 7 8 9
10 11 12 13 14
15 16 17 18 19 20 21 22 23 24 25 26 27 28 29 30
3412
89
10 11
12 13 14 15 16 17 18 19 20 21 22 23 24
5
67
1 2 3 4 5 6
7 8 9
10 11 12 13 14 15 16 17
18 19 20 21 22 23 24 25 26 27 28
1
3456
2
B38
21
9
32
1234 56
10 11 12 13 14 15
7
16
23 30
19 20
22 26 27 28 29
8
17
24 31
18
25
REF. TO GND(L)-02
B
B

Table of Contents

Related product manuals