EasyManua.ls Logo

Subaru Forester 2004 - Diagnostic Procedure for Actuators

Subaru Forester 2004
622 pages
Print Icon
To Next Page IconTo Next Page
To Next Page IconTo Next Page
To Previous Page IconTo Previous Page
To Previous Page IconTo Previous Page
Loading...
AC-21
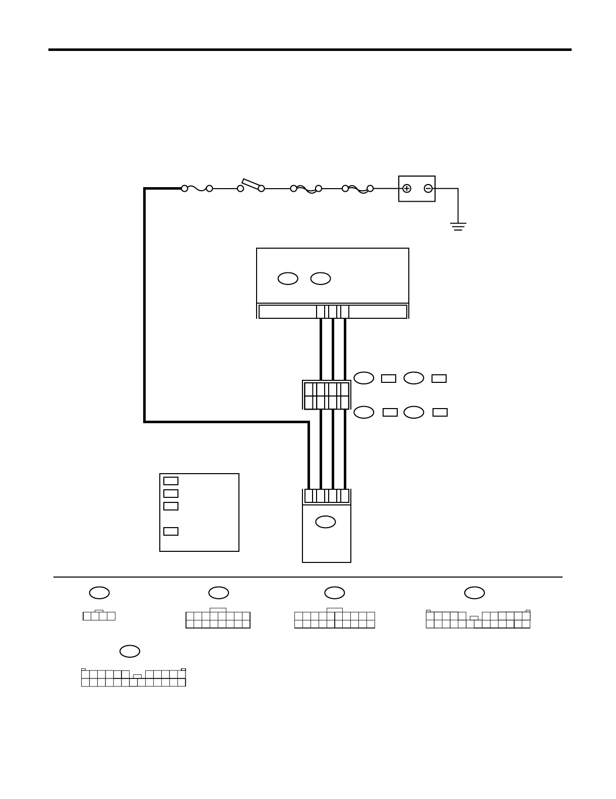
HVAC SYSTEM (AUTO A/C)(DIAGNOSTIC)
Diagnostic Procedure for Actuators
7. Diagnostic Procedure for Actuators
A: INTAKE DOOR ACTUATOR
TROUBLE SYMPTOM:
FRESH/RECIRC mode is not changed.
WIRING DIAGRAM:
AC-00153
B91
A:
i48
B:
i49
12345678
9
10 11 12 13 14 15 16
123456789
10
11 12 13 14 15 16 17 18 19 20
B91
i41 :
B202 :
IGNITION
SWITCH
BATTERY
SBF-1
SBF-4
F/B NO.17
4
3
14
13
12
B18
B20
B19
1 2 3 4
B202
3412 89
10 11
12 13 14 15 16 17 18 19 20 21 22 23 24
567
A:
i48
B:
i49
AUTO A/C CONTROL
MODULE
INTAKE DOOR
ACTUATOR
B201
3412 89
10 11
12 13 14 15 16 17 18 19 20 21 22 23 24
56 7
: LHD MODEL
: RHD MODEL
LHD
RHD
: LHD MODEL : 2
: RHD MODEL : 1
: LHD MODEL : 1
: RHD MODEL : 2
1
*
2
*
LHD
4
6
5
RHD
i40 :
B201 :
LHD
RHD
LHD
RHD
1
*
2
*

Table of Contents

Related product manuals