EasyManua.ls Logo

Subaru Forester 2004 - Page 382

Subaru Forester 2004
622 pages
Print Icon
To Next Page IconTo Next Page
To Next Page IconTo Next Page
To Previous Page IconTo Previous Page
To Previous Page IconTo Previous Page
Loading...
SE-2
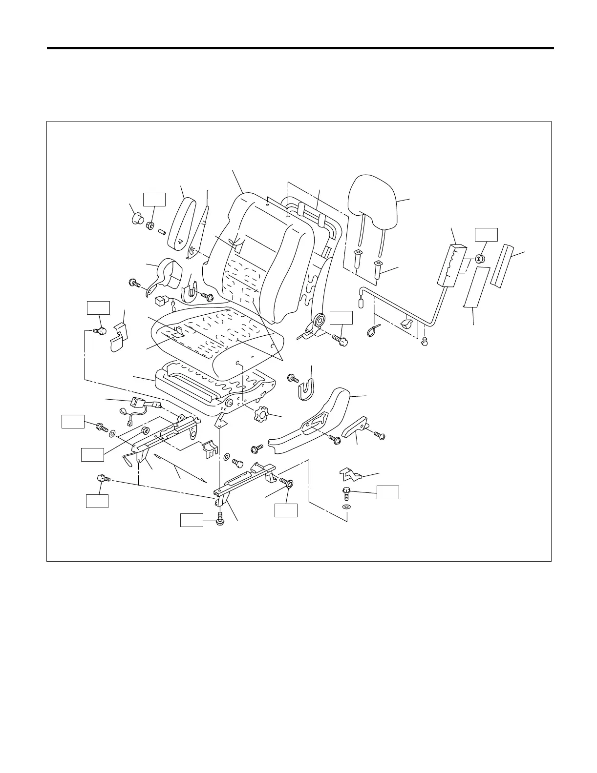
SEAT
General Description
1. General Description
A: COMPONENT
1. FRONT SEAT
SE-00254
(1)
(2)
(3)
(4)
(6)
(7)
(8)
(9)
(10)
(11)
(12)
(13)
(14)
(15)
(16)
(17)
(19)
(20)
(21)
(22)
(23)
(24)
(25)
(18)
T4
T2
T7
T2
T6
T1
T3
T5
T3
(26)
(27)
(28)
(5)
T7

Table of Contents

Related product manuals